EasyManua.ls Logo

Bryant 355BAV Plus 95i - Condensate Trap; Typical Wiring Schematic

Bryant 355BAV Plus 95i
14 pages
Print Icon
To Next Page IconTo Next Page
To Next Page IconTo Next Page
To Previous Page IconTo Previous Page
To Previous Page IconTo Previous Page
Loading...
12
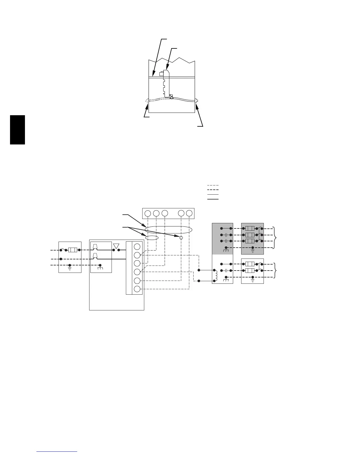
CONDENSATE TRAP
CONDENSATE
TRAP (INSIDE)
BLOWER SHELF
ALTERNATE DRAIN
TUBE LOCATION
UPFLOW APPLICATIONS
CONDENSATE TRAP
DRAIN TUBE LOCATION
A06519
TYPICAL WIRING SCHEMATIC
115-VOLT FIELD-
SUPPLIED
FUSED
DISCONNECT
JUNCTION
BOX
CONTROL
BOX
24-VOLT
TERMINAL
BLOCK
THREE-WIRE
HEATING-
ONLY
FIVE
WIRE
NOTE 2
NOTE 1
1-STAGE
THERMOSTAT
TERMINALS
FIELD-SUPPLIED
FUSED DISCONNECT
CONDENSING
UNIT
FURNACE
COM
R
WCY RG
GND
GND
FIELD 24-VOLT WIRING
FIELD 115-, 208/230-, 460-VOLT WIRING
FACTORY 24-VOLT WIRING
FACTORY 115-VOLT WIRING
Connect Y/Y2-terminal as shown for proper operation.
Some thermostats require a "C" terminal connection as shown.
If any of the original wire, as supplied, must be replaced, use
same type or equivalent wire.
208/230- OR
460-VOLT
THREE
PHASE
208/230-
VOLT
SINGLE
PHASE
WHT
BLK
WHT
BLK
A95236
W/W1
W2
Y/Y2
G
NOTES: 1.
2.
3.
A95236
355BAV