EasyManua.ls Logo

Bryant 580J - Page 27

Bryant 580J
64 pages
Print Icon
To Next Page IconTo Next Page
To Next Page IconTo Next Page
To Previous Page IconTo Previous Page
To Previous Page IconTo Previous Page
Loading...
27
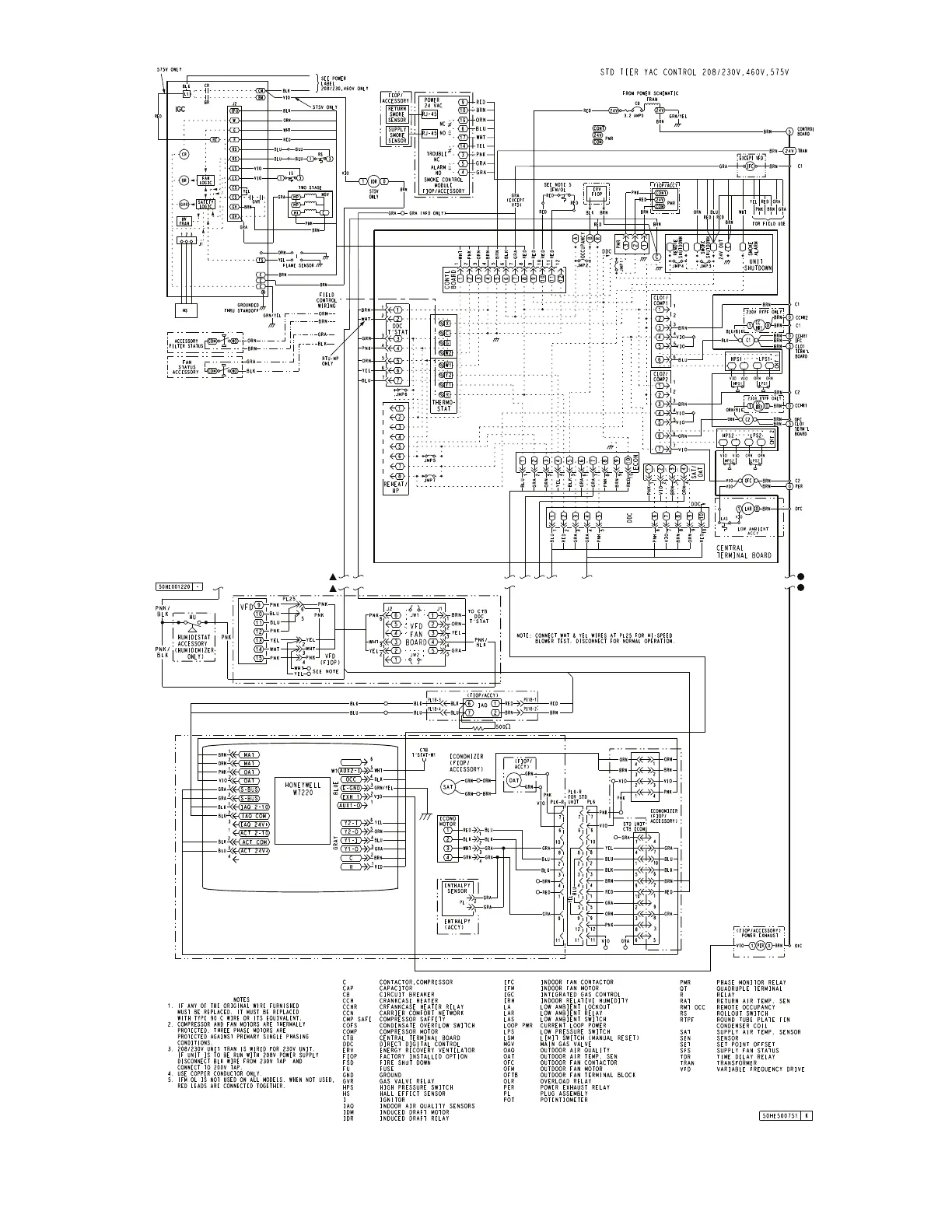
Fig. 36 — Typical Wiring Diagram - Single Package Rooftop Unit
(580J*17-30 and 581J*17-28 with ACS320 VFD shown)

Other manuals for Bryant 580J

Related product manuals