EasyManua.ls Logo

Bryant 581A/B - Page 167

Bryant 581A/B
268 pages
Print Icon
To Next Page IconTo Next Page
To Next Page IconTo Next Page
To Previous Page IconTo Previous Page
To Previous Page IconTo Previous Page
Loading...
167
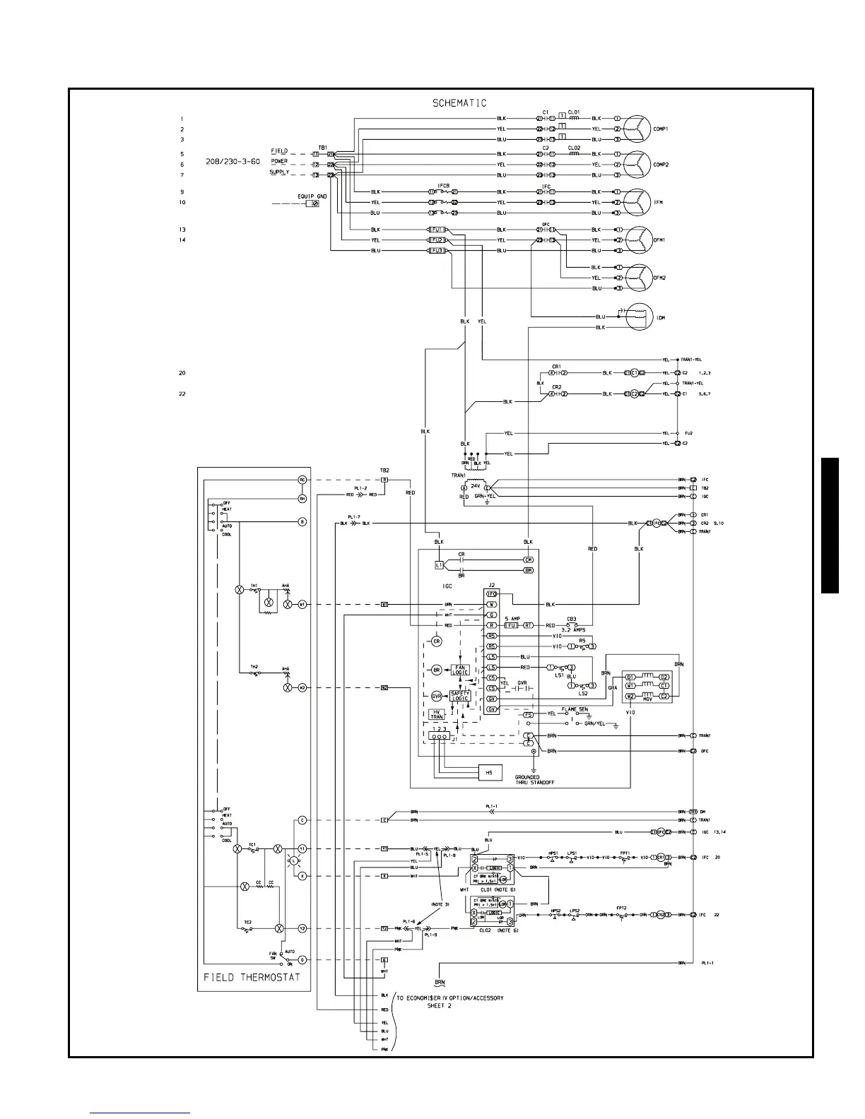
TYPICAL WIRING SCHEMATICS — 579F
(579F240, 208/230 V Shown)
a48-7929
0TFQ004-012
579F180-300

Related product manuals