EasyManua.ls Logo

Bryant 588A - Typical Field Wiring

Bryant 588A
27 pages
Print Icon
To Next Page IconTo Next Page
To Next Page IconTo Next Page
To Previous Page IconTo Previous Page
To Previous Page IconTo Previous Page
Loading...
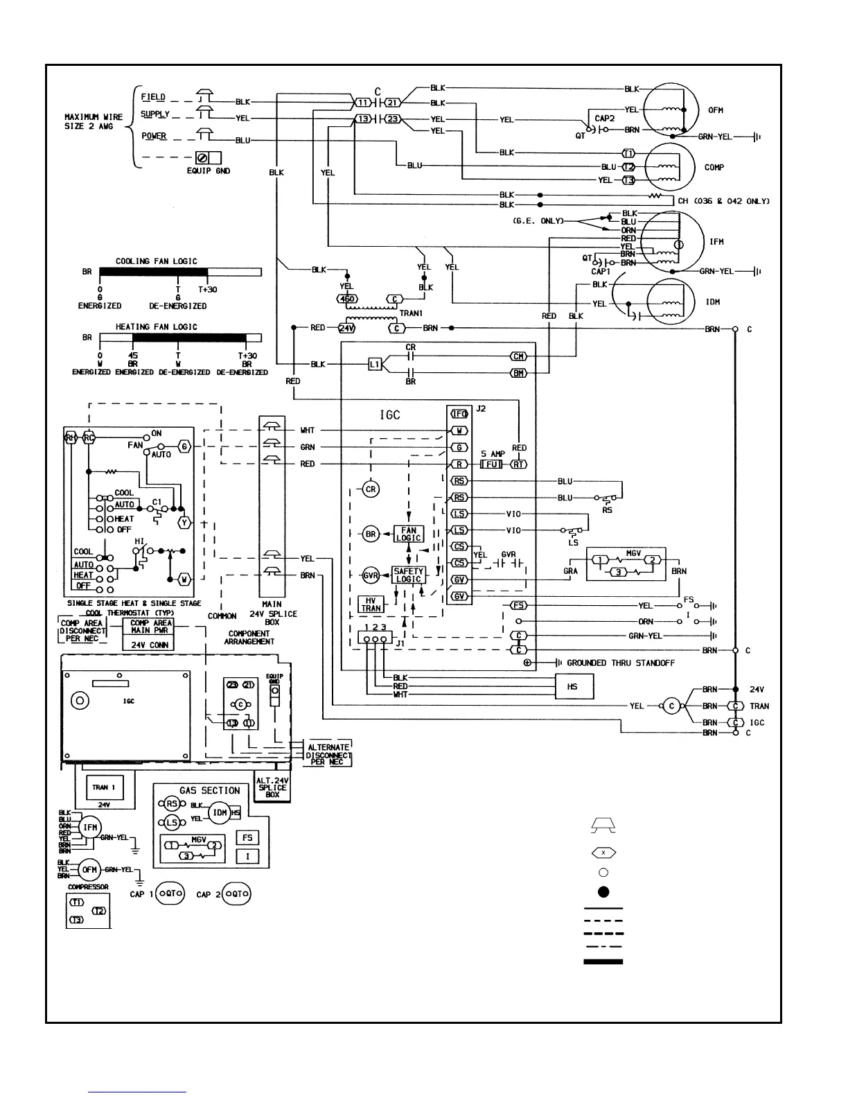
TYPICAL FIELD WIRING (cont)
LEGEND
AWG American Wire Gage
BR Blower Relay
C—Contactor
CAP Capacitor
CH Crankcase Heater
COMP Compressor Motor
CR Combustion Relay
EQUIP Equipment
FL Fuse Link
FS Flame Sensor
FU Fuse
GND Ground
GVR Gas Valve Relay
HS Hall Effect Sensor
HV TRAN High-Voltage Transformer
I—Ignitor
IDM Induced-Draft Motor
IFM Indoor-Fan Motor
IGC Integrated Gas Control
IP Internal Protector
LS Limit Switch
MGV Main Gas Valve
NEC National Electrical Code
OFM Outdoor-Fan Motor
PWR Power
QT Quadruple Terminal
RS Rollout Switch
TRAN Transformer
Field Splice
Terminal (Marked)
Terminal (Unmarked)
Splice
Factory Wiring
Field Control Wiring
Field Power Wiring
Accessory or Optional Wiring
To Indicate Common Potential
Only, Not to Represent Wiring
NOTES:
1. If any of the original wire furnished must be replaced, it must be re-
placed with type 90 C wire or its equivalent.
2. Thermostat: HH07AT174, HH01AD040, HH01AD046, HH01PC184,
HH01PC185, HH07AT196 Subbase: HH93AZ040, HH93AZ207,
HH93AZ176
3. Use copper conductors only.
Unit 588A Sizes 036-060; 460-3-60
24

Other manuals for Bryant 588A

Related product manuals