EasyManua.ls Logo

Bryant 926TC - Vent Coupling and Adapter Details

Bryant 926TC
78 pages
Print Icon
To Next Page IconTo Next Page
To Next Page IconTo Next Page
To Previous Page IconTo Previous Page
To Previous Page IconTo Previous Page
Loading...
926TC: Installation, Start-up, Operating and Service and Maintenance Instructions
Manufacturer reserves the right to change, at any time, specifications and designs without notice and without obligations.
42
knockout or plug for the vent pipe and the other knockout or plug for the
combustion air connection. See Fig. 15.
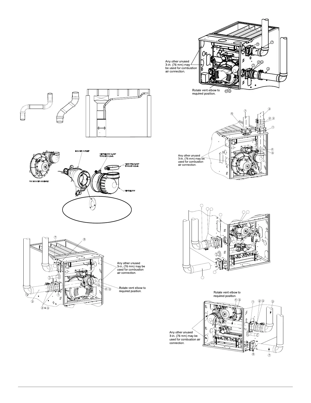
The vent elbow can be rotated to the required location on the casing if
necessary. See Fig. 53. To rotate the vent elbow:
1. Loosen the clamp on the inlet of the vent elbow attached to the
inducer.
2. Rotate the vent elbow to the required position. There are rounded
notches on the vent elbow to align it with the inducer housing for
each orientation.
3. Tighten the clamp around the vent elbow. Torque the clamp to 15
lb-in. See Fig. 54 through Fig. 57.
A14546
Fig. 52 – Near Furnace Vent Connections
A170006
Fig. 53 – Inducer Vent Elbow
A230010
UPFLOW LEFT CONFIGURATION
A230009
UPFLOW RIGHT CONFIGURATION
A230011
UPFLOW VERTICAL VENT
Fig. 54 – Upflow Configuration (Appearance May Vary)
See “Notes for Venting Options”
A11311A
DOWNFLOW LEFT CONFIGURATION
A230013
DOWNFLOW RIGHT CONFIGURATION
Avoid short horizontal offsets with 90
deg. Elb ow s. Short off set s can b e
difficult to slope and may trap con-
densate.
Use 45 deg. Elbows where
possible, t o ensure conden-
sate drainage.
Slope vent pipe back to the
furnace at least ¼” per foot
7$%6217+(,1'8&(5287/(75(675,&72561$3
,1727+(6/276$77+(287/(72)7+(,1'8&(5
)2586$*(
6((0$;,080(48,9$/(179(17/(1*7+7$%/(
)7 02)9(1725/(6621/<
1
2
3
4
5
6
7
5
Rotate vent elbow to
required position.