EasyManua.ls Logo

BS POOL EVoBASIC - Hydraulic Connection Diagram; 1- EVO Series Equipment (Evobasic, Evolowsalt, Evomg)

Default Icon
Print Icon
To Next Page IconTo Next Page
To Next Page IconTo Next Page
To Previous Page IconTo Previous Page
To Previous Page IconTo Previous Page
Loading...
Manual EVoBASIC v.7 50 / 80
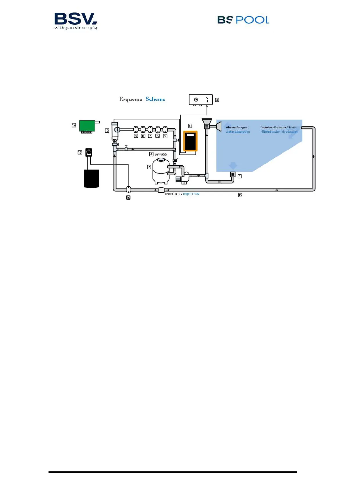
3.2- Hydraulic connection diagram
3.2.1- EVO Series Equipment (EVoBASIC, EVoLOWSALT, EVoMg)
1. From the swimming pool.
2. Filtration
3. Electrical Panel
4. Bypass
5. Flow Switch (optional)
6. Temperature probe (optional)
7. pH probe, included in AUTO kit (optional)
8. Redox probe, included in ADVANCED kit (optional)
9. Ground kit (optional)
10. Acid injector
11. EVOBASIC chlorinator
12. Electrolysis cell
13. pH pump
14. Domotic KIT CONNECT (optional)
15. To the swimming pool.