EasyManua.ls Logo

Buchi Vac V-500 - Description of the Integrated Switchbox

Buchi Vac V-500
32 pages
Print Icon
To Next Page IconTo Next Page
To Next Page IconTo Next Page
To Previous Page IconTo Previous Page
To Previous Page IconTo Previous Page
Loading...
21
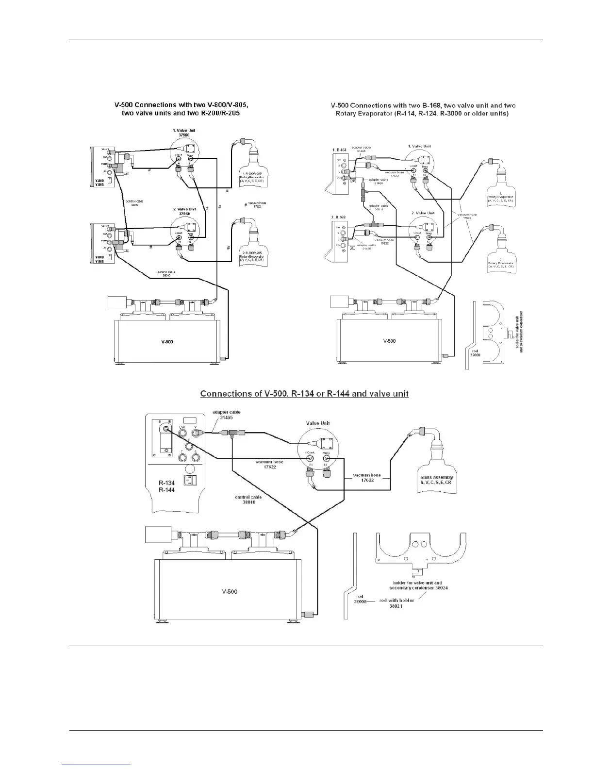
5.2 Description of the integrated switchbox
The integrated switchbox allows particularly quiet and
environmentally-friendly operation. When the desired vacuum
has been reached, the pump is turned off and does not run
again unless the hysteresis set on the V-800 is exceeded.
BÜCHI Vac V-500/V-501/V-502/V-503 5 Operation

Table of Contents