EasyManua.ls Logo

Burnham ES2 ES2 - Page 42

Burnham ES2 ES2
52 pages
Print Icon
To Next Page IconTo Next Page
To Next Page IconTo Next Page
To Previous Page IconTo Previous Page
To Previous Page IconTo Previous Page
Loading...
42
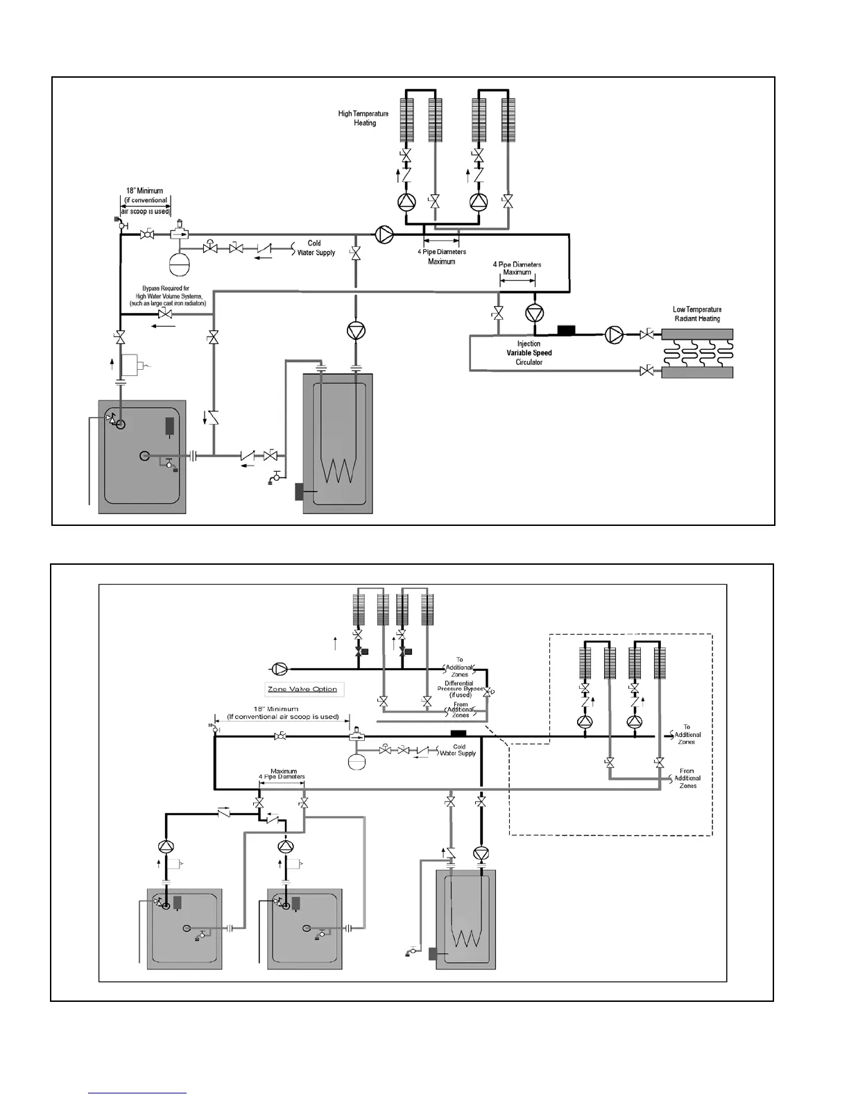
APPENDIX D – System Piping (continued)
Figure D-W5: Water Boiler, Indirect Water Heater
Figure D-W6: Multiple Water Boilers, Indirect Water Heater, Two or More Zones

Related product manuals