EasyManua.ls Logo

Burnham MPO - Recommended Vent Pipe Arrangement and Chimney Requirements; Proper and Improper Locations of Draft Regulator

Burnham MPO
64 pages
Print Icon
To Next Page IconTo Next Page
To Next Page IconTo Next Page
To Previous Page IconTo Previous Page
To Previous Page IconTo Previous Page
Loading...
27
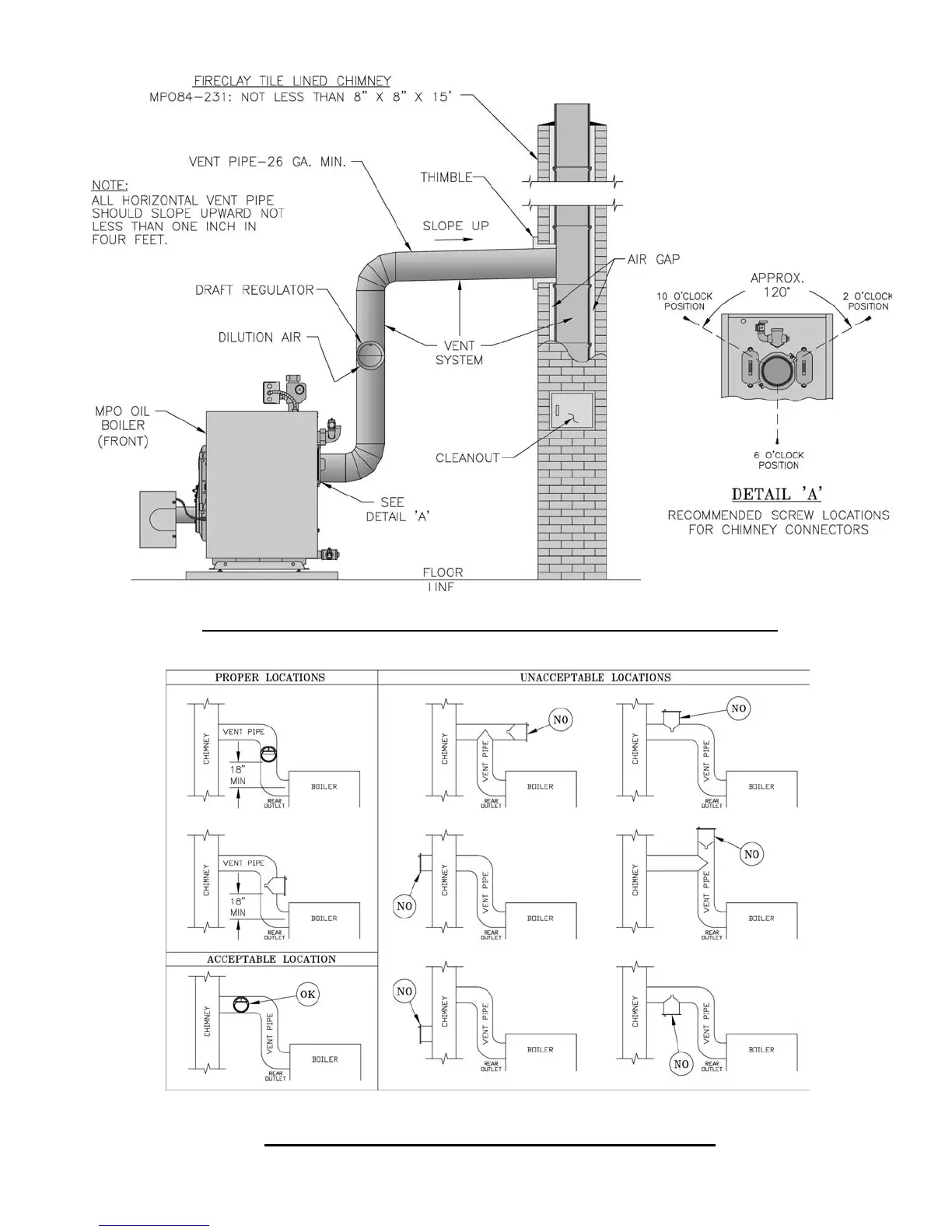
Figure 16: Recommended Vent Pipe Arrangement and Chimney Requirements
Figure 17: Proper and Improper Locations of Draft Regulator

Table of Contents

Related product manuals