EasyManua.ls Logo

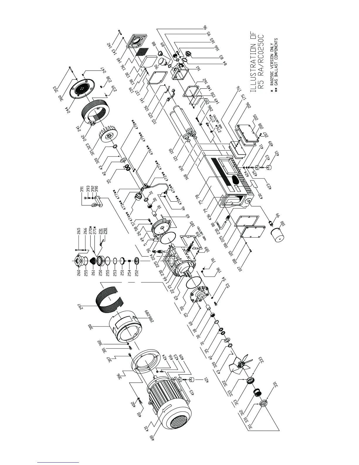
BUSCH R5 0100 E - Illustration of R 5 0250

BUSCH R5 0100 E
24 pages
Print Icon
To Next Page IconTo Next Page
To Next Page IconTo Next Page
To Previous Page IconTo Previous Page
To Previous Page IconTo Previous Page
Loading...
18

Related product manuals