EasyManua.ls Logo

BushCaddy LSA - Oil System and Lubrication; Electrical System Overview

BushCaddy LSA
52 pages
Print Icon
To Next Page IconTo Next Page
To Next Page IconTo Next Page
To Previous Page IconTo Previous Page
To Previous Page IconTo Previous Page
Loading...
BushCADDY LSA Pilot Operating Handbook Rev.03 5 March, 2008
Page 11 of 52
The fuel selector control is located on cross frame immediately below and in front of pilot. Optional
position is on the centre of instrument panel.
Note: For firewall forward schematic, see engine operator’s manual.
1.10 Oil and Lubrication
Please refer to engine operator’s manual for more details.
Rotax engines are dry sump engines. Oil is drawn from the firewall mounted tank through an oil
cooler by engine mounted oil pump, through the engine lubricating points and returns to oil tank via
hose mounted on the base of the engine.
Jabiru engines are wet sump internal oil pump and external oil cooler.
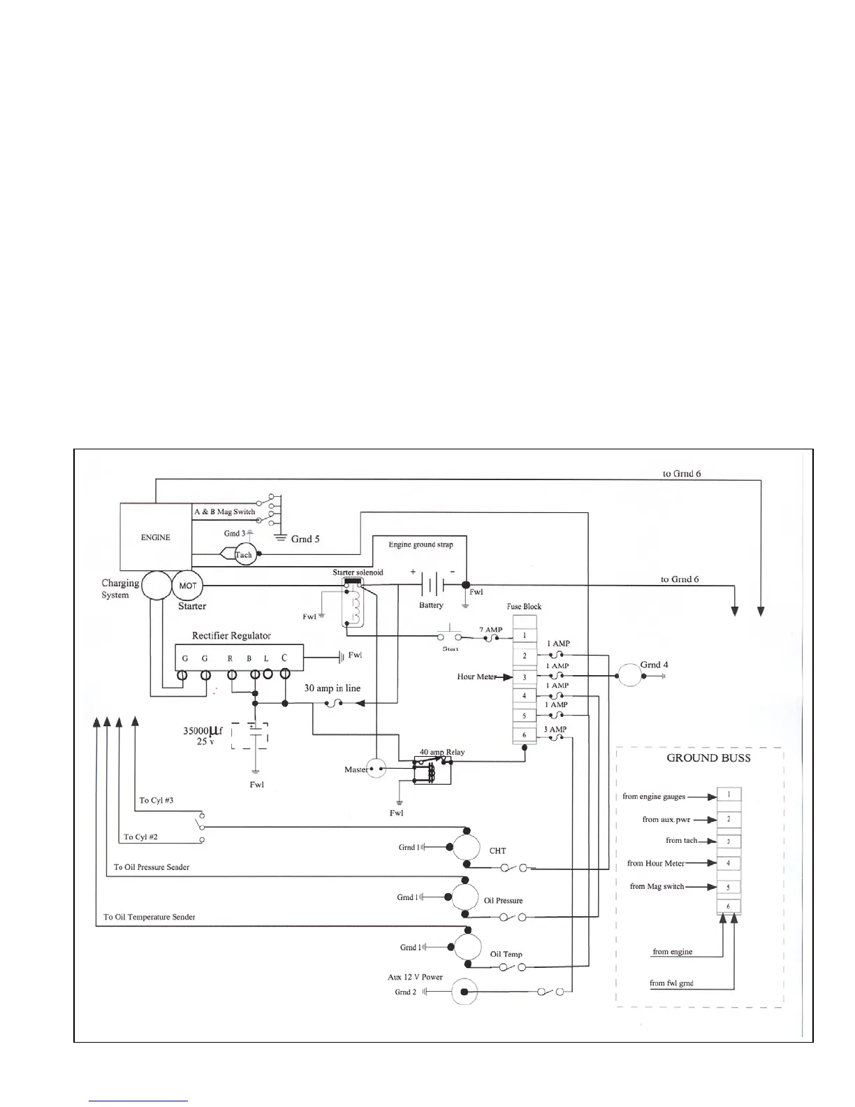
1.11 Electrical System
A 12-volt battery to the master, from the master to firewall mounted relay, supplies power and then
to a fuse equipped buss bar for distribution to gauges, instruments radios etc.
For ignition system, see engine operator’s manual.
ELECTRICAL SCHEMATIC

Table of Contents