EasyManua.ls Logo

BW Broadcast TX300 - Page 39

BW Broadcast TX300
49 pages
Print Icon
To Next Page IconTo Next Page
To Next Page IconTo Next Page
To Previous Page IconTo Previous Page
To Previous Page IconTo Previous Page
Loading...
BW Broadcast technical manual
Page 39
Technical data
15KHZ LPF
IN
OUT
FIL2
R87
R88
C65
LED4
R89
+
3
-
2
6
1
8
IC11
C59
VCC+
13
GND
5
VCC- VD+
12
2
1
7
8
10
9
15
16
3
6
11
14
IC12
C63
15KHZ LPF
IN OUT
FIL1
R83
C64
LED3
R84
+
3
-
2
6
1
8
IC10
C58
C62
R86
8 BIT PIC
MICRO
RTCC
3
RA0
17
RA1
18
RA2
1
RA3
2
RB0
6
RB1
7
RB2
8
RB3
9
RB4
11
RB5
10
RB7
13
MCLR
4
OSC1
16
RB6
12
GND
5
VCC+
14
OSC2
15
IC13
R90
R98
R91
R92
R93
VR6
R102
R101
+
3
-
2
6
IC14
R103
C75
R104 R105
C79
C78
C80
C81-82
C83
L1 L2
C84
+
3
-
2
6
1
8
IC15
R107
C86
R106
R108
MPX OUTPUT
X1
C73
+5V +5V
-12V
+5V+12V
15 KHZ CLIP JUMPER
15 KHZ CLIP JUMPER
STEREO/MONO
R82
CON3
LEFT INPUT FROM
LIMITER SECTION
RIGHT INPUT FROM
LIMITER SECTION
R85
J9
J10
R97
R96
R95
R94
R99
R100
C74
PILOT FINE TUNE
J11
MPX LOOPTHROUGH
J1
TO EXCITER
C94
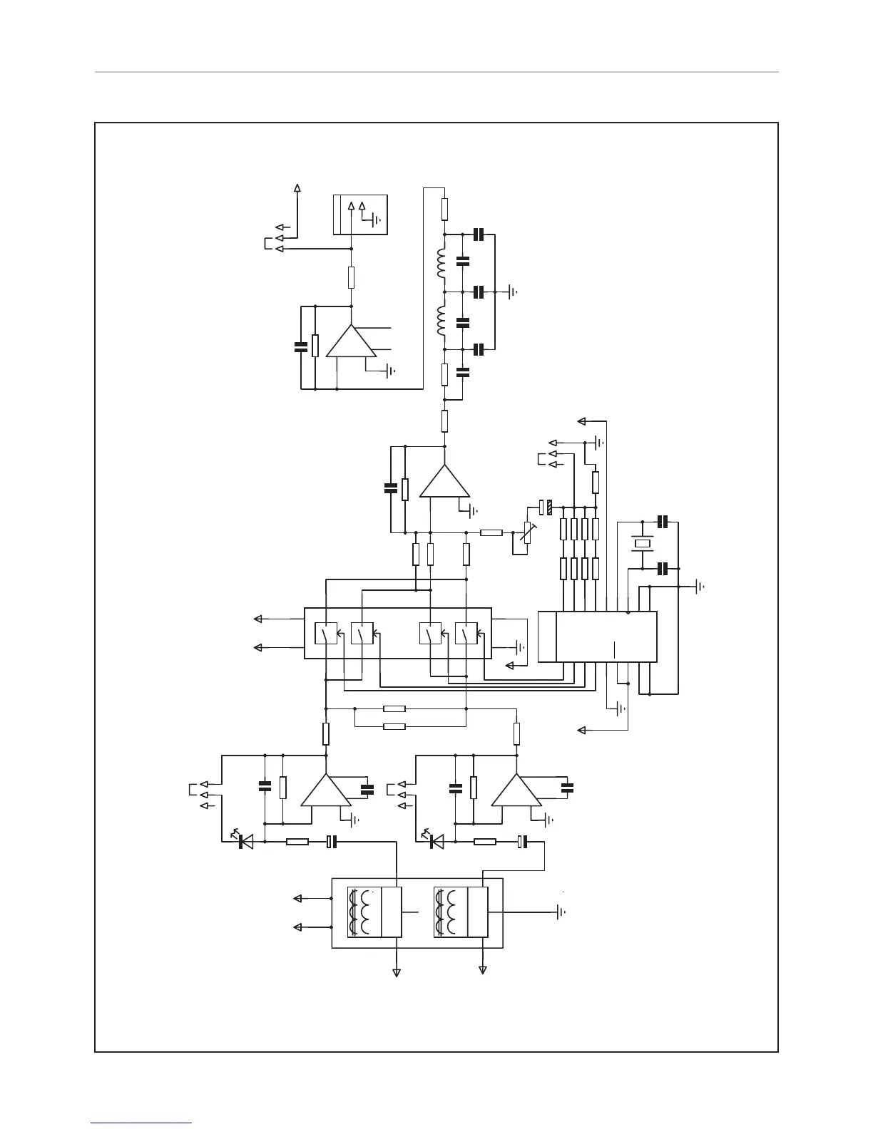
15kHz Filter Block
+5V+12V
3.512 Stereo encoder section

Related product manuals