EasyManua.ls Logo

BW Broadcast TX300 - Schematics - Limiter Section

BW Broadcast TX300
49 pages
Print Icon
To Next Page IconTo Next Page
To Next Page IconTo Next Page
To Previous Page IconTo Previous Page
To Previous Page IconTo Previous Page
Loading...
BW Broadcast technical manual
Page 38
Technical data
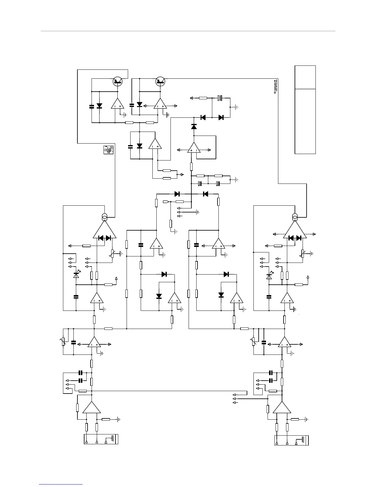
3.51 COMBO BOARD SCHEMATICS
3.511 Limiter section
TITLE:
BY:
DATE:
PAGE:
LIMITER SECTION 18/04/08
S.I.
1/1
REV: 1
R68
VR2
VR4
LEFT IN
HOT
COLD
GND
CON5
R66
R72
C48
C47
R65
3
2
1
8 4
IC3:A
C39
R67
R71
5
6
7
IC3:B
R69
C43
R70
R75
R73
5
6
7
IC9:B
5
6
7
IC9:B
D9
D11
R74 R76
C53
R77
R78
D6
R64
15
14
13
16
11
IC5:B
R53
R48
5
6
7
IC8:B
3
2
1
8 4
IC8:A
D1
D2
R49 R54
C49
R56
R57
D4
R47
VR1
VR3
LEFT IN
HOT
COLD
GND
CON4
R44
R50
C46C45
R45
3
2
1
8 4
IC2:A
C38
R46
R51
5
6
7
IC2:B
R53
C42
R52
R63
2
3
4
1
6
5
12
IC5:A
C55
C54
R59
R58
R60
3
2
1
84
IC7:1
D5
D7
5
6
7
IC7:B
D12
C56
5
6
7
IC6:B
3
2
1
8 4
IC6:A
R62
R61
D3
D10
C52
C50
T2
T1
R80
R81
C57
R79
LED2
LED1
LEFT AUDIO TO
RIGHT AUDIO TO
PROCESS
CLIP
PROCESS
CLIP
PRE EMPHASIS INPUT LEVEL
50 75
50 75
PRE EMPHASIS INPUT LEVEL
-15
+15
BRIDGE
MONO FROM LEFT
J3
J12
J2
J7
J5
D8
+15
+15
-15
+15
+15
+15
-15
-15V
+15V
-15
-15
J6
J4
CODER SECTION
CODER SECTION
LIMITER
J8
R109
CON8 / 3LIM G/R OUT
ON OFF
R117
R118
+
3
-
2
6
IC4
R116
R119
+
3
-
2
6
IC1
R112
R113
R114
R115
51K RETROFIT

Related product manuals