EasyManua.ls Logo

BW Broadcast TX300 - Page 40

BW Broadcast TX300
49 pages
Print Icon
To Next Page IconTo Next Page
To Next Page IconTo Next Page
To Previous Page IconTo Previous Page
To Previous Page IconTo Previous Page
Loading...
BW Broadcast technical manual
Page 40
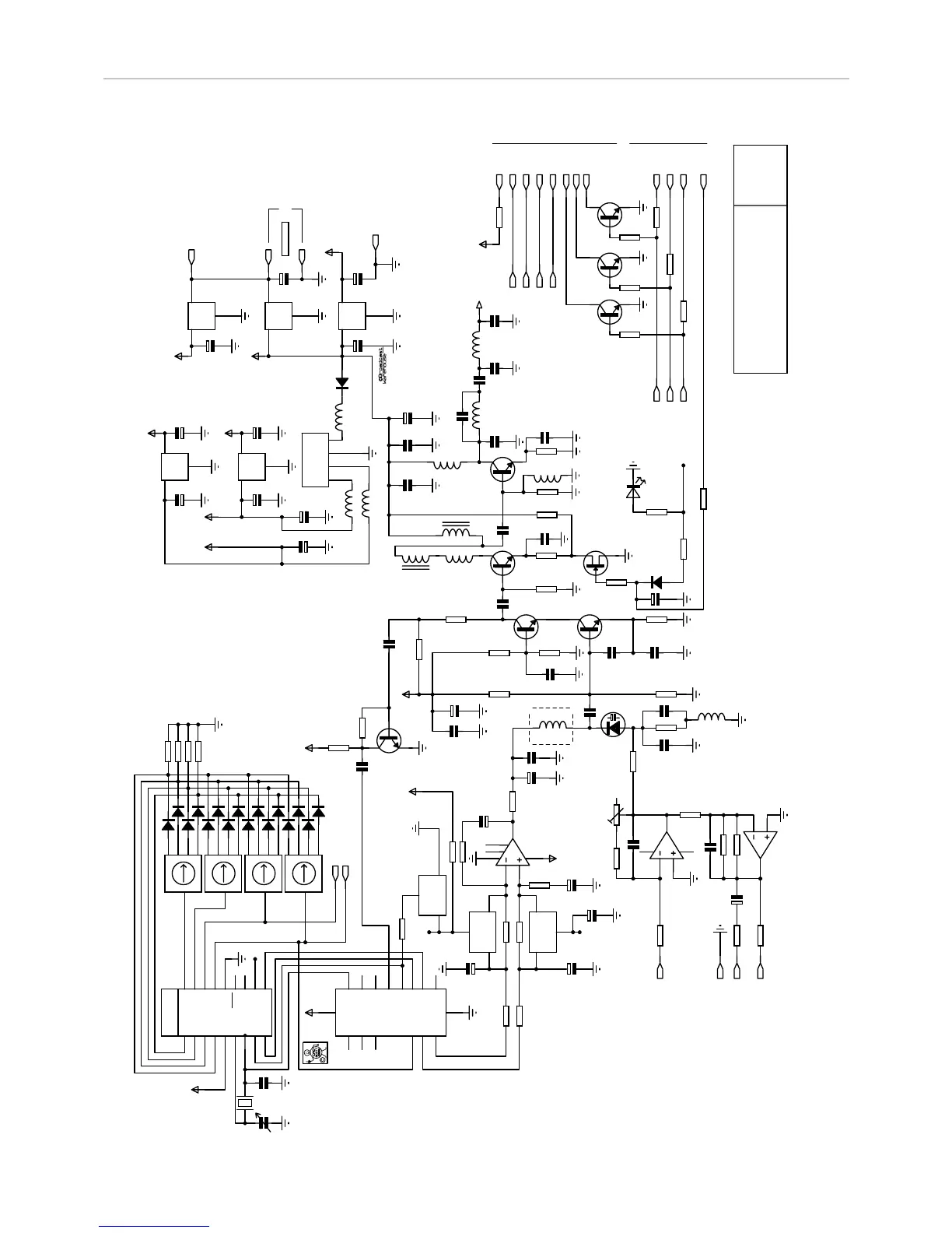
Technical data
3.513 PLL exciter section
B
B
AA
TITLE:
BY:
DATE:
PAGE:
EXCITER / PSU / CONTROL 17/04/08
S.I.
1/1
REV: 1
T5
T4
R22
R23
R21
R25
C24
C23
R27
R19
R20
C21
VD1
L3
C14
R18
C20
T6
C27
R110
T7
R30
R28
C25
L5
C29
R31
L4
L5
C30 C32
C33
C34
C31
C28
C19
C22
3
2
6
7 4
1
5
IC20
R17
R16
R15
R7
R8
X
1
Y
2
C
13
IC1:A
X
11
Y
10
C
12
IC19:B
R5
R6
16
12
f R
9
V
15
R
14
PD
13
OSC in
1
OSC out
2
REF out
3
F in
4
D in
5
ENB
6
CLK
7
D out
8
f V
10
LD
11
IC18
8 BIT PIC
MICRO
RTCC
3
RA0
17
RA1
18
RA2
1
RA3
2
RB0
6
RB1
7
RB2
8
RB3
9
RB4
11
RB5
10
RB7
13
MCLR
4
OSC1
16
RB6
12
GND
5
VCC+
14
OSC2
15
IC17
C1
X2
C4
D15-30
VC1
C15
R24
C16
5V
RF OUTPUT
+15 VDC
5V
R13
R29
D23
+15 VDC
R31
X
1
Y
2
C
13
IC19:A
R9
10V
+10 VDC
5V
C12
C6C9
C8
C17
C18
C13
0
9
8
4
1
3
2
5
6
7
SW1
0
9
8
4
1
3
2
5
6
7
SW2
0
9
8
4
1
3
2
5
6
7
SW3
C7
RFT1
R12
LED5
VOLT
REG
OUT
COM
IN
REG3
3
2
1
8 4
IC18:A
5
6
7
IC18:B
R40
C35
R39
VR5
R42
R41
C37
CON7
T3
R11
R10
C10
5V
12
CON2
13
12
CON8
MULTIPLEX INPUT / BNC
CON8
BUFFERED MOD.
IN
OUT+
GND
OUT-
DC1
VOLT
REG
OUT
COM
IN
U1
D13
L7
L8
C89
C1
C91
C4
-16VDC +16VDC
VOLT
REG
OUT
COM
IN
U2
+5 VDC
C2
CON618 VDC IN
2
3
10
11
9
1
10
11
12
13
4
T9
T8 T10
5
6
7
R32 R34
R35
R36
R37
R33
1
9
2
RS232 / CONTROL
CON1
8
CON8
R38
RF MUTE
O / C SIGNALS
TTL SIGS
CON8
8 AND 16
6 AND 7
CON8
CON8
VOLT
REG
OUT
COM
IN
REG4
VOLT
REG
OUT
COM
IN
REG5
C67
C70
C72
C90
C77
-12 VDC
+12 VDC
0
9
8
4
1
3
2
5
6
7
SW4
R1
R3
R2
R4
C5
R111
R43
R121
C43
+
-
CON9
FRONT PANEL MOD MON
15
R120
+18
R126
C97
C3
L11
L9
R14
T11
L1

Related product manuals