EasyManua.ls Logo

BW Broadcast TX300 - Page 41

BW Broadcast TX300
49 pages
Print Icon
To Next Page IconTo Next Page
To Next Page IconTo Next Page
To Previous Page IconTo Previous Page
To Previous Page IconTo Previous Page
Loading...
BW Broadcast technical manual
Page 41
Technical data
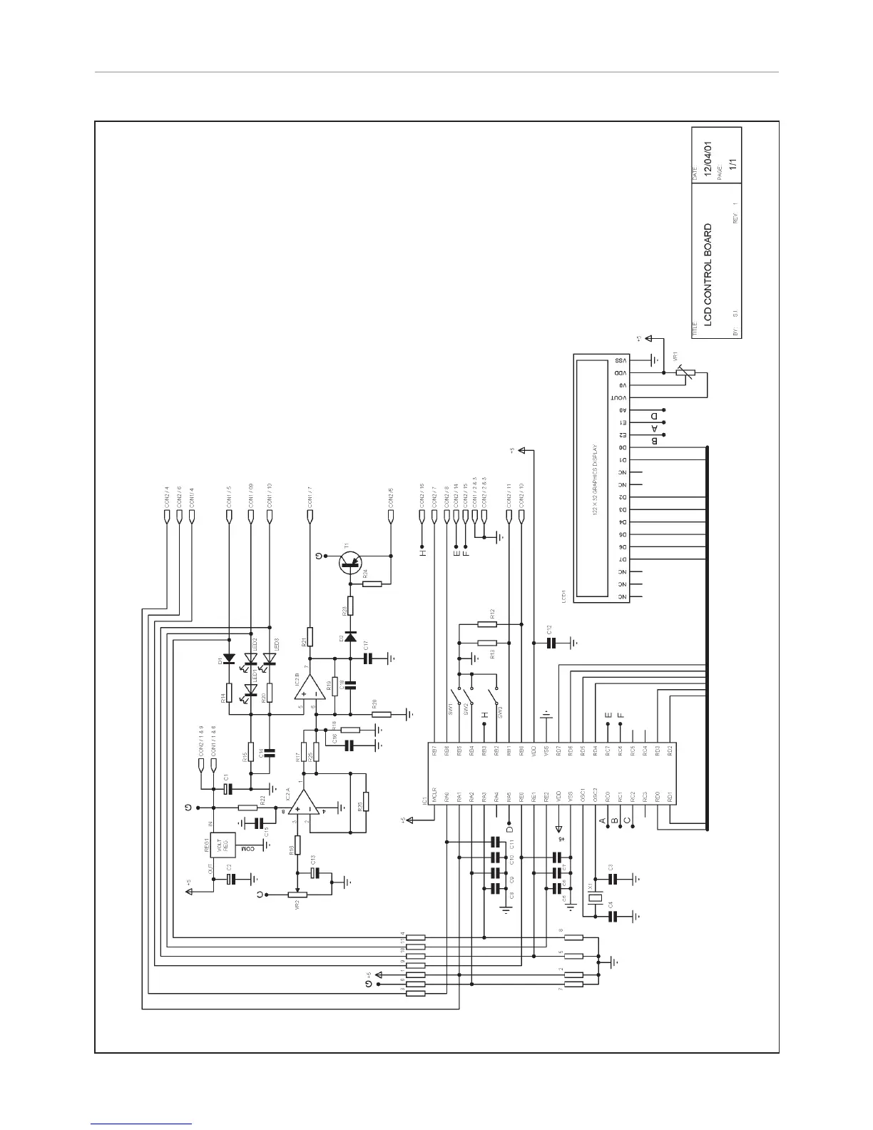
3.52 LCD CONTROL BOARD

Related product manuals