EasyManua.ls Logo

BWT ECOSOFT MO5000 - Page 38

BWT ECOSOFT MO5000
87 pages
Print Icon
To Next Page IconTo Next Page
To Next Page IconTo Next Page
To Previous Page IconTo Previous Page
To Previous Page IconTo Previous Page
Loading...
Цей документ є інтелектуальною власністю компанії Ecoso. Копіювання і передрукування заборонено ©2021
38
ПОСІБНИК З ЕКСПЛУАТАЦІЇ КОМЕРЦІЙНИХ СИСТЕМ ЗВОРОТНОГО ОСМОСУ ECOSOFT (MO5000, MO10000)
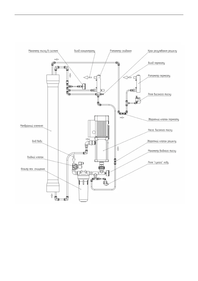
Рис. 4.3 

Table of Contents

Related product manuals