EasyManua.ls Logo

Calorex PPT16 - Page 98

Calorex PPT16
151 pages
Print Icon
To Next Page IconTo Next Page
To Next Page IconTo Next Page
To Previous Page IconTo Previous Page
To Previous Page IconTo Previous Page
Loading...
Seite 19
Calorex Heat Pumps Ltd. · The Causeway, Maldon, Essex CM9 4XD, UK
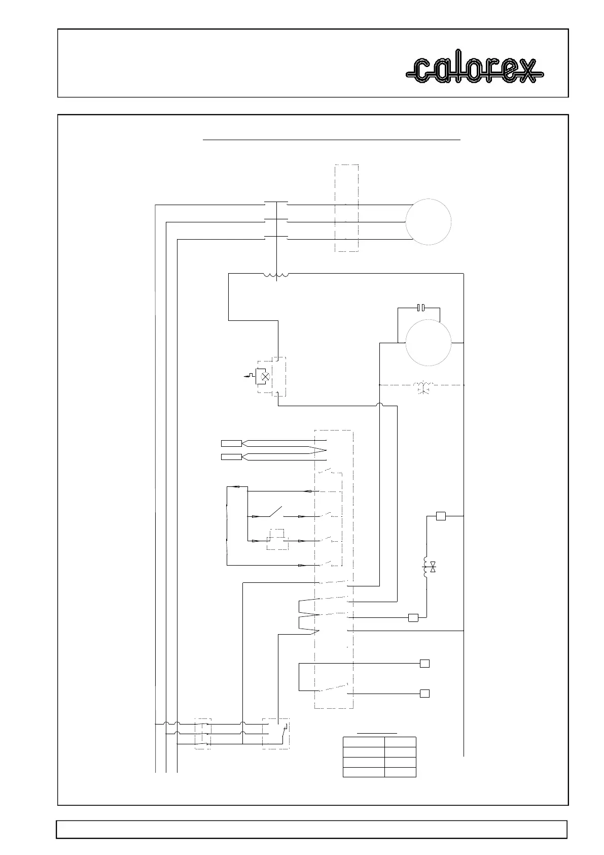
Installations- & Betriebsanleitung
PRO-PAC (PPT) 8/12/16/22 LX/LY
SLIMLINE
SD638150 ISSUE 11
®
NULL LEITER
WASSER
STRÖMUNGS
SCHALTER
KOMPRESSOR
LÜFTER
SCHÜTZ
SOFT START
THERM.
ÜBERLAST.
SCHUTZ &
STÖRUNGS-
LAMPE FALLS
EINGEBAUT
ND SCHALTER
SCHALTET AUS BEI
FALLENDEM DRUCK
HD SCHALTER
SCHALTET AUS BEI
STEIGENDEM DRUCK
BECKEN-STAT
MAGNETVENTIL
FERN -AN/AUS SPERRE
(WASSER TEMP)
(ABTAU)
SENSOR
SENSOR
SPANNUNGSFREIE
POOL-PUMPE
MAX 3 Amps
370W
DIGITAL INPUTS
STEUER
SCHUTZSCHALTER
PHASENSCHUTZ
RELAIS
MODEL
SICHERUNGEN
PPT12BLX
2.0A
PPT16BLX
2.0A
PPT22BLX
2.0A
SOFT START
(FALLS
EINGEBAUT)
1
4
1415
2
9
21
20
19
18
13
14
17
15
16
10
N/O
N/O
N/C
COM
COM
COM
COM
N/O
OUT2
OUT4
N/O
10
12
OUT3
OUT1
L3
12
13
L
C
H
C
(N/C)
(N/C)
A1
A2
19
18
3
5
4
6
(N/O)
(N/O)
1
2
(N/O)
11
22
3
di1
di2
di4
di3
com
5
3
1
6 (N/C)
4 (N/C)
2 (N/C)
L3
L2
L1
14 (N/O)
12 (N/C)
11 (COM)
L2 L1
T1
T2
T3
11
23
(L)
24
(N)
SUPPLY
NUR PPT22BLX
PPT12/16/22 BLX DREIPHASIG 400V~3N 50Hz

Table of Contents

Other manuals for Calorex PPT16

Related product manuals