EasyManua.ls Logo

Calorex Pro-Pac 30 - Page 24

Calorex Pro-Pac 30
156 pages
Print Icon
To Next Page IconTo Next Page
To Next Page IconTo Next Page
To Previous Page IconTo Previous Page
To Previous Page IconTo Previous Page
Loading...
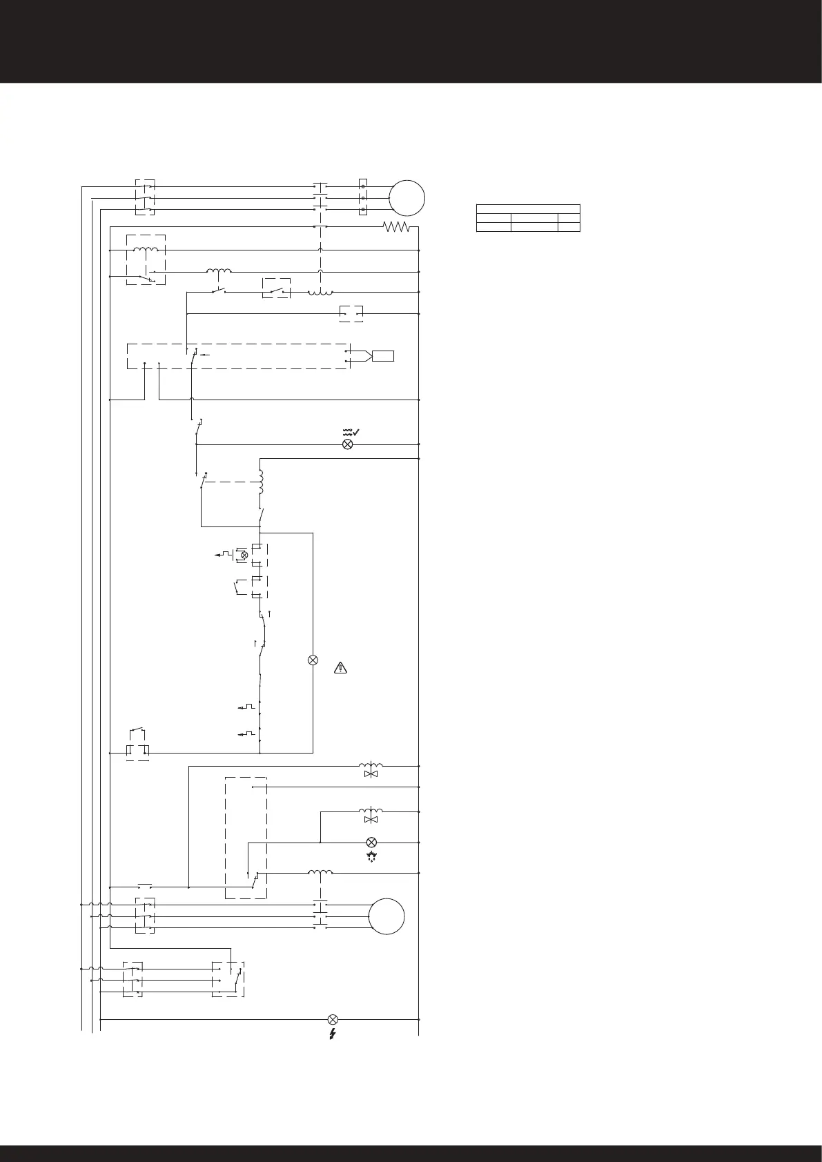
CONTROL
2.5A
MCB SETTINGS
COMPRESSOR FAN
2.2A39.3A
MCB CONTACTS / MCB ALARM CONTACTS / MCB AUX CONTACTS
SHOWN WITH CCT BREAKER MANUALLY SWITCHED TO THE ON
CONDITION.
WATER FLOW SWITCH CONTACTS SHOWN WITH WATER FLOW AT
MAXIMUM RATE
ALL OTHER CONTACTS SHOWN IN DE-ENERGISED STATE BUT WITH
REFRIGERATION CIRCUIT FULLY CHARGED.
WHERE CONTACTS ARE MARKED (N/O) OR (N/C) ON CCT DIAGRAM
ABOVE CONDITIONS APPLY.
INTERLOCK
TERMINALS
NC
TB
TB
FAN THERMAL CUT OUT
COMPRESSOR
CONTACTOR
CONTROL CIRCUIT
L3 L2
L1
BREAKER
PHASE ROTATION
RELAY
5
3
1
6 (N/C)
4 (N/C)
2 (N/C)
L3
L2
L1
14 (N/O)
13 14 (N/O)
COMP
CONTACTOR
AUX BLOCK
MAINS LIGHT
NEUTRAL
12 (N/C)
11 (COM)
(COM) 1
FAN CIRCUIT BREAKER
5
3
1
6 (N/C)
4 (N/C)
2 (N/C)
FAN CONTACTOR
5
3
1
6 (N/O)
4 (N/O)
2 (N/O)
FAN
4 (N/C)
3 (N/O)
DEFROST LIGHT
REVERSING
VALVE
2
LIQUID LINE SHUT OFF
VALVE
43
44 (N/C)
95
96 (N/C)
C (COM)
H (N/C)(N/O) L
C (COM)
H (N/O)
(N/C) L
FAULT
LIGHT
COMPRESSOR MCB
ALARM
FAN MCB
ALARM
HP SWITCH
(BREAKS TO 'L' ON
PRESSURE RISING)
LP SWITCH
(BREAKS TO 'H' ON
PRESSURE FALLING)
STARTER OR
EXTERNAL FLOW
SWITCH
SOFT START
THERMAL O/LOAD &
FAULT LAMP IF FITTED
(N/O)
WATER FLOW
SWITCH
A1 A2
A
B
RELAY (R1)
WATER FLOW OK LIGHT
(COM) 1
3 (N/C)
[STANDBY]
[RUN] (N/O)
2
STANDBY SWITCH
(COM) 6
4 (N/O)
2
1
OUT 1 MAKES 4 TO 6 ON TEMP FALLING
11
10
SENSOR
DIGITAL STAT (1 STAGE)
SMART CLOCK FEED TERMINALS
89
5
3
1
6 (N/O)
4 (N/O)
2 (N/O)
COMPRESSOR
14 11 (N/O)
DELAY TIMER 2
21 22 (N/C)
A1
A2
(W1)
(V1)
(U1)
COMPRESSOR
CIRCUIT BREAKER
5
3
1
6 (N/C)
4 (N/C)
2 (N/C)
HEATER
(N/O)
5 (N/C)
(N/O) 4 1 (N/C)
(COM) 7
DEFROST STAT
RELAY (R2)
(COM) 15
18 (N/O)
16 (N/C)
DELAY TIMER 1 (12 HOUR)
A1
A2
A1 A2
INTERLOCK
TERMINALS
MAKES 1 TO 3 ON TEMP FALLING
SOFT START
IF FITTED
Pro-Pac 70BMY THREE PHASE (400V 3 N~ 50Hz)
24
SD566252 ISSUE 51
PR0-PAC SYSTEM OWNER INSTALLATION MANUAL

Table of Contents

Other manuals for Calorex Pro-Pac 30

Related product manuals