EasyManua.ls Logo

Calorex Pro-Pac 30 - Page 73

Calorex Pro-Pac 30
156 pages
Print Icon
To Next Page IconTo Next Page
To Next Page IconTo Next Page
To Previous Page IconTo Previous Page
To Previous Page IconTo Previous Page
Loading...
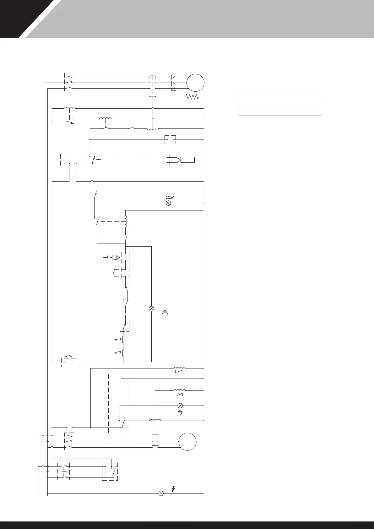
CIRCUIT
ELECTRIQUE
2.5A
VALEURS DISJONCTEUR
COMPRESSEUR VENTILATEUR
22.9A
0.8A
L3 L2
L1
PROTECTION
THERMIQUE
COMPRESSEUR
VOYANT DEBIT D'EAU
BORNES D'ALIMENTATION
HORLOGE
TEMPORISATION
12 HR
VOYANT ALIMENTATION
DISJONCTEUR
CIRCUIT
ELECTRIQUE
MONITEUR DE
PHASES
THERMOSTAT
DEGIVRAGE
VOYANT DEGIVRAGE
PRESSOSTAT BP
(SE COUPE A H EN
BASSE PRESSION)
VOYANT DEFAUT
BORNES
D'INTERVERROUILLAGE
COMMUTATEUR
VEILLE
VENTILATEUR
DEMARREUR OU CONTACTEUR
DE DEBIT (EXTERNE)
DEMARRAGE AMORTI AVEC
DISJONCTEUR THERMIQUE
SI INSTALLE
CONTACT DEBIT
D'EAU INTERNE
NEUTRE
RECHAUFFEUR
COMPRESSEUR
CONTACT DEFAUT
VENTILATEUR
CONTACT DEFAUT
COMPRESSEUR
THERMOSTAT
RELAIS (R2)
TEMPORISATION 2
6 MIN
CONTACTEUR
COMPRESSEUR
DISJONCTEUR
COMPRESSEUR
COMP
ELECTROVANNE
(ARRET LIGNE LIQUIDE)
SOUPAPE D'INVERSION
5
3
1
6 (N/F)
4 (N/F)
2 (N/F)
5
3
1
6 (N/F)
4 (N/F)
2 (N/F)
6 (N/F)
4 (N/F)
2 (N/F)
5
3
1
63
64 (N/O)
CONTACTEUR
COMP AUX
12 (N/F)
11 (COM)
CONTACTEUR
VENTILATEUR
(N/F)
HP SWITCH
(SE COUPE A L EN
HAUTE PRESSION)
(N/O)
RELAIS (R1)
(COM) 1
3 (N/C) [(VEILLE) (O)]
[(MARCHE) (I)] (N/O) 2
(COM) 6
4 (N/O)
2 (N)
1 (L)
OUT 1
CONTACT 4 ET 6 EN BASSE
TEMPERATURE
SONDE
14
11 (N/O)
21 22 (N/F)
5 (N/F)
(N/O) 4 1 (N/F)
(COM) 7
(COM) 15
18 (N/O)
16 (N/F)
A1
A2
A1
A2
CONTACT 1 ET 3 EN BASSE
TEMPERATURE
DISJONCTEUR
VENTILATEUR
PROTECTION
THERMIQUE
VENTILATEUR
95
96 (N/F)
95
96 (N/F)
12 13
(NF)
TB
TB
L3
L2
L1
14 (N/O)
(COM) 1
5
3
1
6 (N/O)
4 (N/O)
2 (N/O)
4 (N/F)
3 (N/O)
2 (N)
C (COM)
H (N/F)(N/O) L
C (COM)
H (N/O)
(N/F) L
A1 A2
A
B
11
10
89
5
3
1
6 (N/O)
4 (N/O)
2 (N/O)
A1
A2
(W1)
(V1)
(U1)
(N/O)
BORNES
D'INTERVERROUILLAGE
DEMARRAGE AMORTI
SI INSTALLE
PROPAC 30BMY TRIPHASEE (400V ~ 3 N 50Hz)
21
SD566252 ISSUE 51

Table of Contents

Other manuals for Calorex Pro-Pac 30

Related product manuals