EasyManua.ls Logo

Calorex Pro-Pac 30 - Page 76

Calorex Pro-Pac 30
156 pages
Print Icon
To Next Page IconTo Next Page
To Next Page IconTo Next Page
To Previous Page IconTo Previous Page
To Previous Page IconTo Previous Page
Loading...
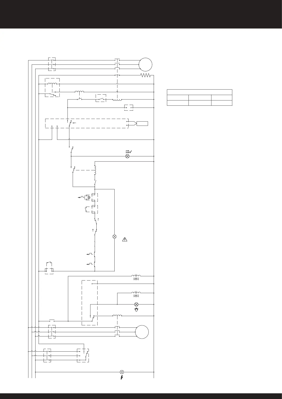
CIRCUIT
ELECTRIQUE
2.5A
VALEURS DISJONCTEUR
COMPRESSEUR VENTILATEUR
39.3A
2.2A
14 (N/O)
(COM) 1
3 (N/F) [VEILLE]
[MARCHE] (N/O) 2
OUT 1
VOYANT DEBIT D'EAU
BORNES D'ALIMENTATION
HORLOGE
TEMPORISATION 1
12 HR
VOYANT ALIMENTATION
DISJONCTEUR
CIRCUIT
ELECTRIQUE
MONITEUR DE
PHASES
RELAIS (R2)
CONTACTEUR
COMPRESSEUR
VENTILATEUR
TEMPORISATION 2
THERMOSTAT
DEGIVRAGE
VOYANT DEGIVRAGE
PRESSOSTAT BP
(SE COUPE A H EN
BASSE PRESSION)
VOYANT DE
DEFAUT
BORNES
D'INTERVERROUILLAGE
COMMUTATEUR
VEILLE
DISJONCTEUR
VENTILATEUR
DEMARREUR OU
CONTACTEUR DE DEBIT
(EXTERNE)
DEMARRAGE AMORTI
DISJONCTEUR THERMIQUE
SI INSTALLE
CONTACT DEBIT
D'EAU INTERNE
RELAIS (R1)
NEUTRE
SONDE
RECHAUFFEUR
COMPRESSEUR
CONTACT DEFAUT
VENTILATEUR
PRESSOSTAT HP
(SE COUPE A L EN
HAUTE PRESSION)
CONTACT DEFAUT
COMPRESSEUR
ELECTROVANNE
(ARRET LIGNE LIQUIDE)
THERMOSTAT
DISJONCTEUR
COMPRESSEUR
SOUPAPE D'INVERSION
PROTECTION
THERMIQUE
VENTILATEUR
COMP
CONTACTEUR
VENTILATEUR
NF
TK
TK
L3 L2
L1
5
3
1
6 (N/F)
4 (N/F)
2 (N/F)
L3
L2
L1
13 14 (N/O)
CONTACTEUR
COMP AUX
12 (N/F)
11 (COM)
(COM) 1
5
3
1
6 (N/F)
4 (N/F)
2 (N/F)
5
3
1
6 (N/O)
4 (N/O)
2 (N/O)
4 (N/F)
3 (N/O)
2
43
44 (N/F)
95
96 (N/F)
C (COM)
H (N/F)(N/O) L
C (COM)
H (N/O)
(N/F) L
(N/O)
A1 A2
A
B
(COM) 6
4 (N/O)
2
1
OUT
1
CONTACT 4 ET 6 EN BASSE
TEMPERATURE
11
10
89
5
3
1
6 (N/O)
4 (N/O)
2 (N/O)
14 11 (N/O)
21 22 (N/F)
A1
A2
(W1)
(V1)
(U1)
5
3
1
6 (N/F)
4 (N/F)
2 (N/F)
(N/O)
5 (N/F)
(N/O) 4 1 (N/F)
(COM) 7
(COM)
15
18 (N/O)
16 (N/F)
A1
A2
A1 A2
CONTACT 1 ET 3 EN
BASSE TEMPERATURE
BORNES
D'INTERVERROUILLAGE
PP70BMY TRIPHASEE (400V ~ 3 N 50Hz)
24
SD566252 ISSUE 51
SYSTEME PRO-PAC MANUEL D’INSTALLATION

Table of Contents

Other manuals for Calorex Pro-Pac 30

Related product manuals