EasyManua.ls Logo

Cameron BARTON 289A - Section 4 - Installation Drawings

Cameron BARTON 289A
32 pages
Print Icon
To Next Page IconTo Next Page
To Next Page IconTo Next Page
To Previous Page IconTo Previous Page
To Previous Page IconTo Previous Page
Loading...
19
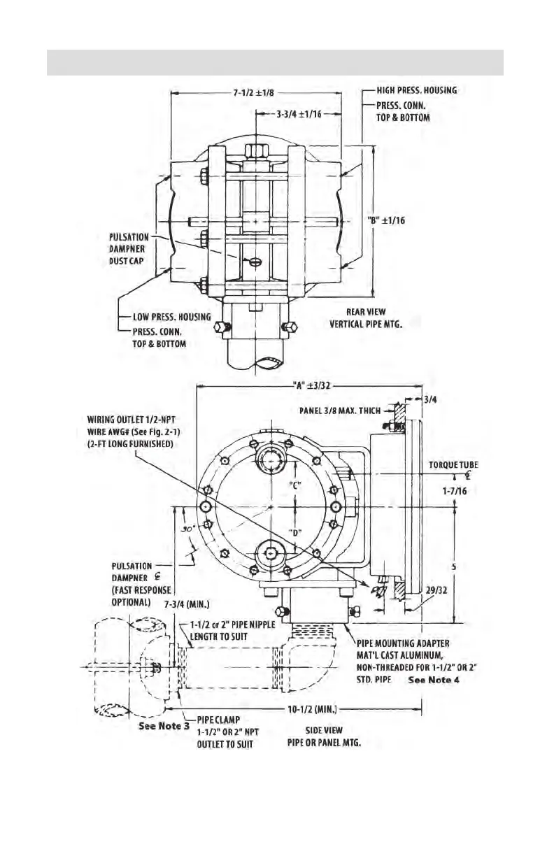
Figure 4-1. Model 289A Outside Dimensions (Part 1 of 2)
SECTION 4 - INSTALLATION/DIMENSIONAL DRAWINGS

Other manuals for Cameron BARTON 289A

Related product manuals