EasyManua.ls Logo

Cameron Barton 752 - Strain Gage Bridge Network; Signal Amplifier; Current Amplifier; Temperature Compensation

Cameron Barton 752
44 pages
Print Icon
To Next Page IconTo Next Page
To Next Page IconTo Next Page
To Previous Page IconTo Previous Page
To Previous Page IconTo Previous Page
Loading...
12
Section 2 Model 752 and 752A Differential Pressure Transmitters
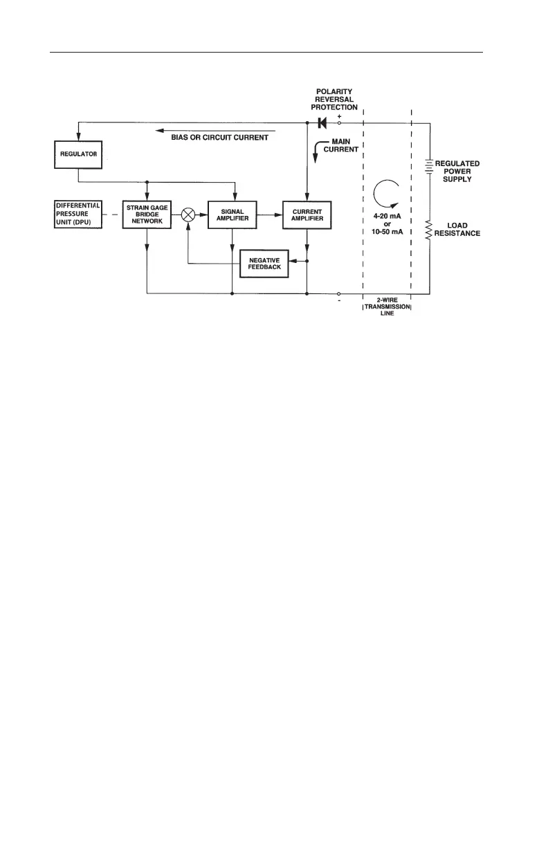
Figure 2.3—Operational block diagram
Strain Gage Bridge Network
The strain gage bridge network consists of two silicone piezo-resistive strain
sensors, the zero adjusting potentiometer, bridge completion resistors, and the
temperature compensation components.
Signal Amplier
The signal amplier is an integrated circuit operational amplier which pro-
vides amplication of the strain gage bridge network output voltage.
Current Amplier
The current amplier circuit converts the signal amplier output voltage to
current. The amount of current is precisely regulated with the feedback net-
work to make it proportional to the bridge output.
Temperature Compensation
The Model 752 and 752A are temperature-compensated at the factory. Only
those repairs described in Section 4 of this manual may be performed in the
eld without voiding the qualications certication.

Table of Contents

Related product manuals