EasyManua.ls Logo

Cameron BARTON 764 - Section 3: Electrical Installation; Electrical Wiring Connections

Default Icon
36 pages
Print Icon
To Next Page IconTo Next Page
To Next Page IconTo Next Page
To Previous Page IconTo Previous Page
To Previous Page IconTo Previous Page
Loading...
15
Model 764 Differential Pressure Transmitter Section 3
Electrical Connections
!
WARNING: Failure to properly calculate power supply DC output voltage
may result in inaccurate transmitter readings, possibly leading to safety
system performance degradation during design basis events. To avoid
equipment inaccuracy hazards, follow the examples and tables in this
section for determining the proper power supply DC output voltage.
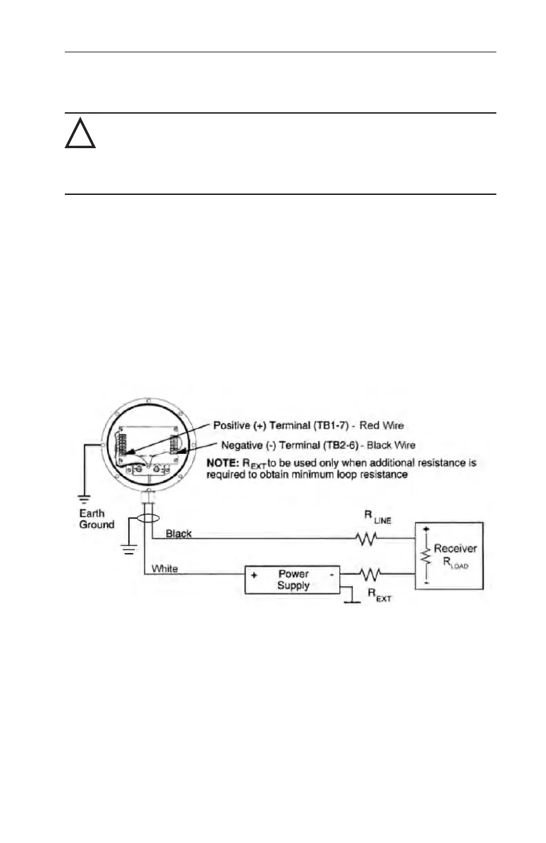
Field wiring connections for the transmitter are presented in Figure 3.1. If the
transmitter is equipped with an EGS Quick Disconnect connector assembly,
make sure the two halves of the connector are secured with the bayonet ring.
See Operation of the EGS Quick Disconnect Connector Assembly, page 26,
for details.
It is important that the total loop resistance be less than the maximum calcu-
lated value and greater than or equal to the minimum value for proper opera-
tion under post-accident conditions. See Figure 3.2, page 16, for reference.
Figure 3.1—Typical eld wiring connections

Related product manuals