EasyManua.ls Logo

Cameron BARTON 764 - Page 30

Default Icon
36 pages
Print Icon
To Next Page IconTo Next Page
To Next Page IconTo Next Page
To Previous Page IconTo Previous Page
To Previous Page IconTo Previous Page
Loading...
30
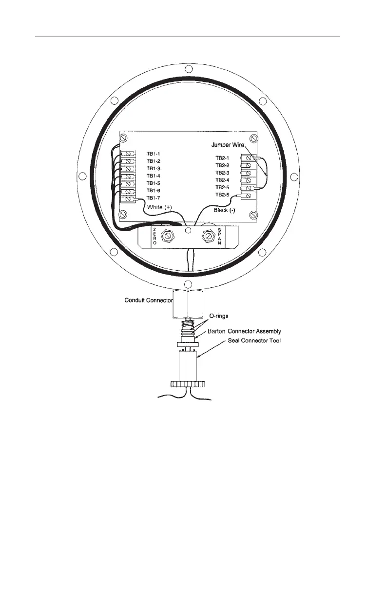
Section 4 Model 764 Differential Pressure Transmitter
Figure 4.3—Wiring for connector assembly (lead wire) replacement,
shown with Barton style connector assembly

Related product manuals