EasyManua.ls Logo

Candy CTPS64SCTTWIFI - Widok Z Góry; Panel Sterowania

Candy CTPS64SCTTWIFI
258 pages
Print Icon
To Next Page IconTo Next Page
To Next Page IconTo Next Page
To Previous Page IconTo Previous Page
To Previous Page IconTo Previous Page
Loading...
PL-8
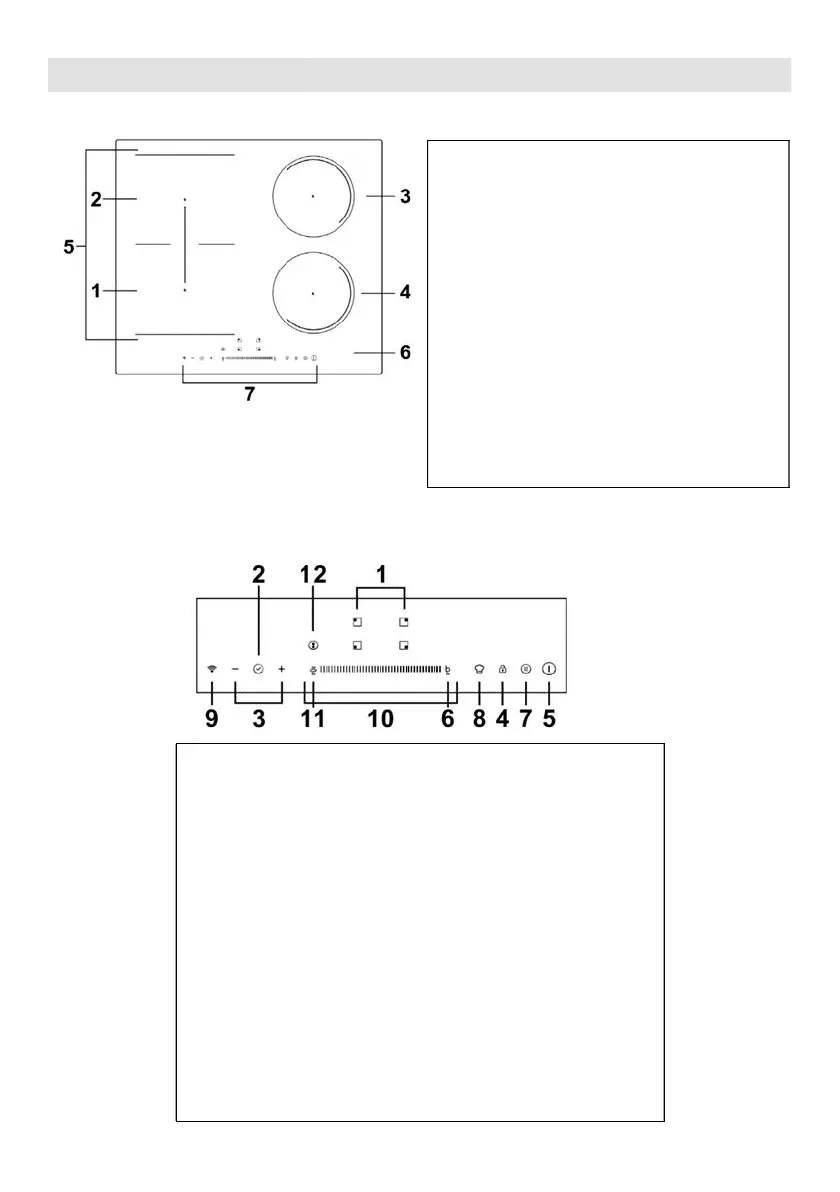
Widok produktu
Widok z góry
1. Strefa 2000 W, z funkcją Boost
do 2600 W
2. Strefa 1500 W, z funkcją Boost
do 2000W
3. Strefa 2000 W, z funkcją Boost
do 2600 W
4. Strefa 1500 W, z funkcją Boost
do 2000W
5. Strefa elastyczna 2800 W,
z funkcją Boost do 3500 W
6. Płyta szklana
7. Panel sterowania
Panel sterowania
1. Przyciski sterowania wyborem strefy grzewczej
2. Przycisk regulatora czasowego
3. Przycisk regulacji regulatora czasowego
4. Przycisk blokady
5. Przycisk włączania/wyłączania
6. Przycisk funkcji Boost
7. Funkcja pauzy
8. Direct Cook Przycisk
9. Przycisk Wi-Fi
10. Przycisk regulacji mocy
11. Przycisk funkcji podtrzymania temperatury
12. Strefa
e
l
asty
cz
na

Table of Contents

Related product manuals