EasyManua.ls Logo

Canon GP160F - Page 152

Canon GP160F
797 pages
Print Icon
To Next Page IconTo Next Page
To Next Page IconTo Next Page
To Previous Page IconTo Previous Page
To Previous Page IconTo Previous Page
Loading...
COPYRIGHT
©
1999 CANON INC. CANON GP160 REV.0 FEB. 1999 PRINTED IN JAPAN (IMPRIME AU JAPON)
CHAPTER 8 FIXING SYSTEM
8-4
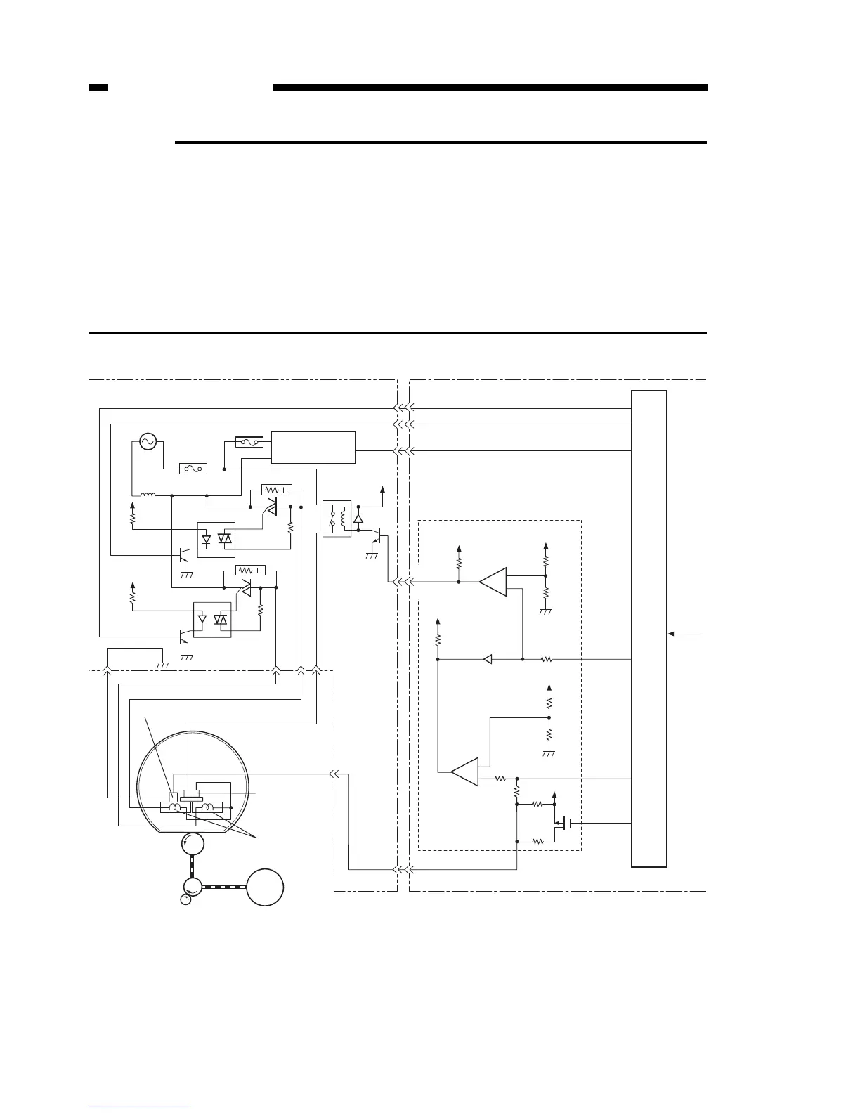
Reference:
When the amount of time which has lapsed between the delivery sensor (PS306)
detecting the end of one paper, and the next paper passing the through the paper
leading edge sensor (PS301) is less than one second, the temperature control
changes to the paper interval temperature control.
When compared to printing at 1200dpi equivalent, the feeding speed when printing at
600dpi is doubled, and so the fixing target temperature is high. A sudden rise in tem-
perature of the fixing heater end may occur if small-sized paper is used when printing
at 600dpi. In order to prevent this, the throughput is decreased by control of the fixing
assemblys temperature.
Figure 8-201
M601
+5V
+5V
1
2
3
IC304
+5V
RLYDRV
100
FSRTM
25
+5V
7
6
5
IC304
J305-4
+24VA
1
FSRDRV1
IC301
CPU
-
+
-
+
+5V
2
Q301
+5V
THCHG
43
/PRNT
+5V
J201-
J203-1
J102-3
J102-5
J102-1
J203-2
J305-37
J201-
J305-39
J305-40
J201-
J201-4
FSRDRV2
/ZEROX
19
FSRTH
FSRTH
J305-
RLYD
J201-
FSRH1
FSRH2
FSRN
Q4
Delivery
roller
Main
motor
Pressure
roller
Fixing
heater
Thermo-
switch
Fixing film
unit
Fuse (F2)
Relay
(R1)
Fixing heater safety circuit
DC controller PCB
Fuse (F1)
Zero cross
detector circuit
DC power supply PCB
Thermistor

Table of Contents

Other manuals for Canon GP160F

Related product manuals