EasyManua.ls Logo

Carel mastercella - 6.8 Pump Down and Low Pressure; 6.9 Continuous Cycle

Carel mastercella
28 pages
Go to English
Print Icon
To Next Page IconTo Next Page
To Next Page IconTo Next Page
To Previous Page IconTo Previous Page
To Previous Page IconTo Previous Page
Loading...
+050004104 rel. 2.2 del 26.09.07
18
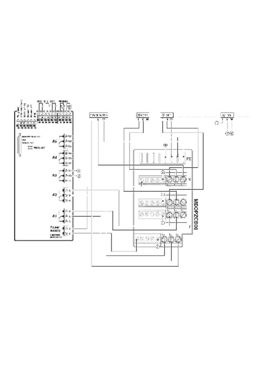
Fig. 8.b

Other manuals for Carel mastercella

Related product manuals