EasyManua.ls Logo

Carlisle Binks E2-15 - Page 11

Carlisle Binks E2-15
36 pages
Print Icon
To Next Page IconTo Next Page
To Next Page IconTo Next Page
To Previous Page IconTo Previous Page
To Previous Page IconTo Previous Page
Loading...
EN
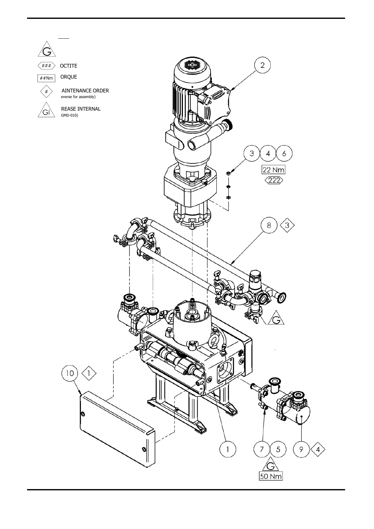
KEY
(Reverse for assembly)
LOCTITE
TORQUE
MAINTENANCE ORDER
GREASE INTERNAL
(AGMD-010)
GREASE
77-3311 R1.0 11/36 www.carlisleft.com

Other manuals for Carlisle Binks E2-15

Related product manuals