EasyManua.ls Logo

Carlisle Binks E2-15 - Dimensions and Mounting

Carlisle Binks E2-15
36 pages
Print Icon
To Next Page IconTo Next Page
To Next Page IconTo Next Page
To Previous Page IconTo Previous Page
To Previous Page IconTo Previous Page
Loading...
EN
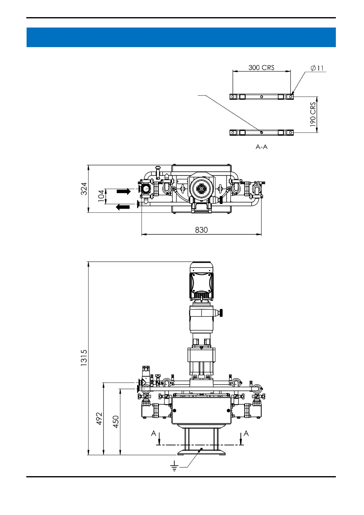
DIMENSIONS AND MOUNTING DETAILS
M6 HEX.
Head screw for pump earth grounding;
the Pump Frame must be wired to a suitable earth
ground to ensure that there is no possibility of static
build up.
A
B
77-3311 R1.0 5/36 www.carlisleft.com

Other manuals for Carlisle Binks E2-15

Related product manuals