EasyManua.ls Logo

Carlisle BINKS E420 - Product Dimensions and Measurements

Carlisle BINKS E420
62 pages
Print Icon
To Next Page IconTo Next Page
To Next Page IconTo Next Page
To Previous Page IconTo Previous Page
To Previous Page IconTo Previous Page
Loading...
EN
www.carlisleft.com 77-3345 R1.1 (06/2022)
58 / 62
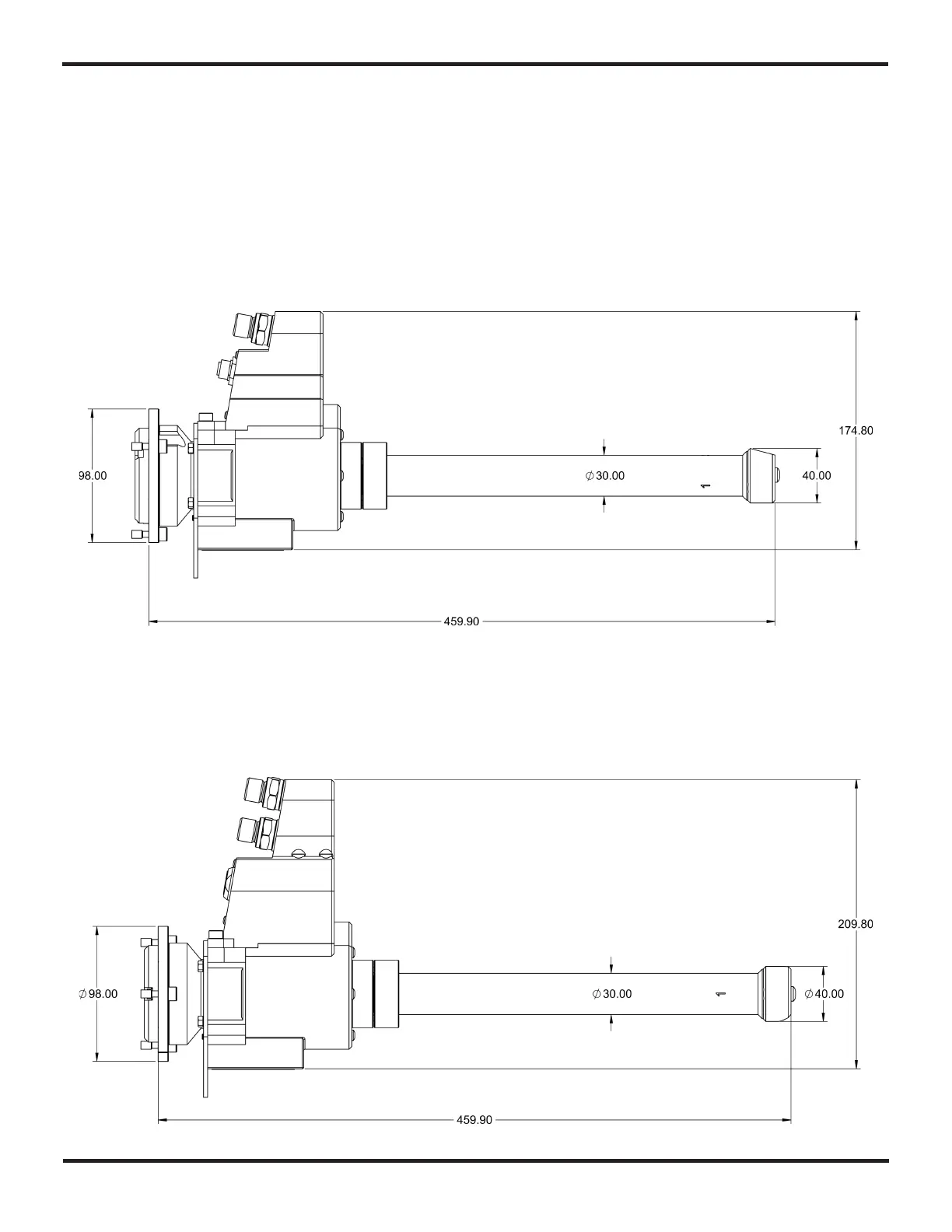
8. Dimensions:
Basic connection housing, without circulation
Round nozzle head
Temperature and Pressure connection housing, with circulation
Round nozzle head

Related product manuals