EasyManua.ls Logo

Carrier 48TC 17 Series - Power Wiring Diagrams

Carrier 48TC 17 Series
96 pages
To Next Page IconTo Next Page
To Next Page IconTo Next Page
To Previous Page IconTo Previous Page
To Previous Page IconTo Previous Page
Loading...
83
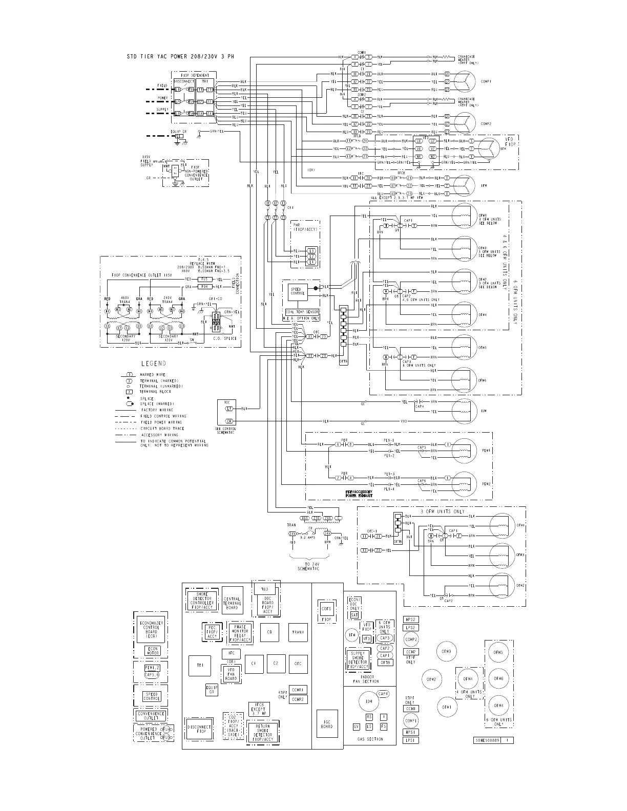
APPENDIX IV. WIRING DIAGRAMS (cont)
C12616
Fig. 74 48TC D17 D28 Power Diagram 208/230360

Related product manuals