EasyManua.ls Logo

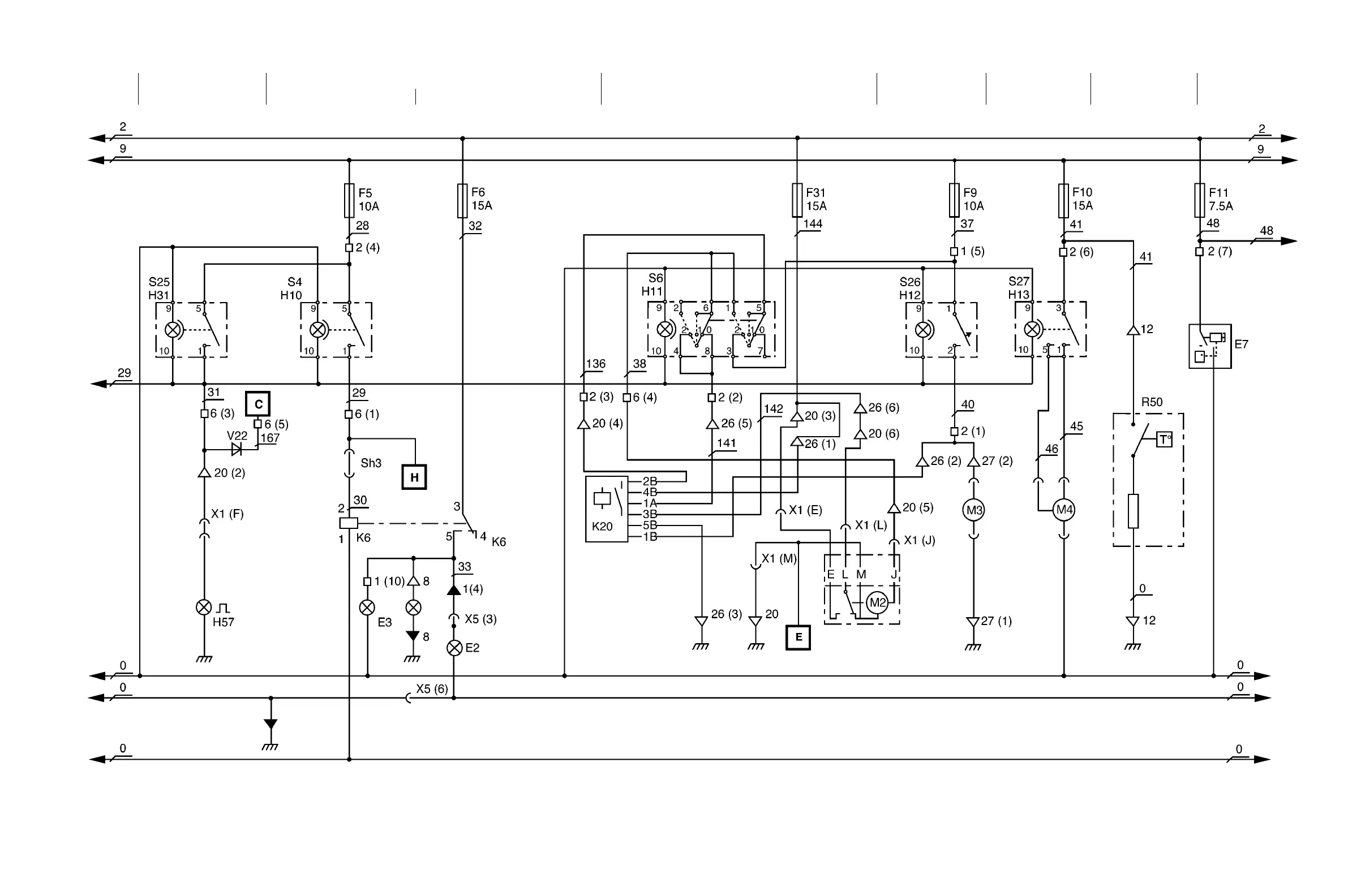
Case 1188 - Electrical Schematic - Plate 1; Component and Circuit Identification

Case 1188
15 pages
Print Icon
To Next Page IconTo Next Page
To Next Page IconTo Next Page
To Previous Page IconTo Previous Page
To Previous Page IconTo Previous Page
Loading...
4001-19
Lep 7-57590GB Issued 09-94
ROTATING LIGHT
(OPTIONAL)
WORKING LIGHTS
WINDSHIELD WIPER WINDSHIELD WASHER
BLOWER HEATER AIR
CONDITIONING
FUEL HEATING
DEVICE
CIGARETTE LIGHTER
UPPERSTRUCTURE ATTACHMENT
PDH0226
https://truckmanualshub.com/

Related product manuals