EasyManua.ls Logo

Casio 116ER - Making Corrections During Registration

Casio 116ER
32 pages
Print Icon
To Next Page IconTo Next Page
To Next Page IconTo Next Page
To Previous Page IconTo Previous Page
To Previous Page IconTo Previous Page
Loading...
7
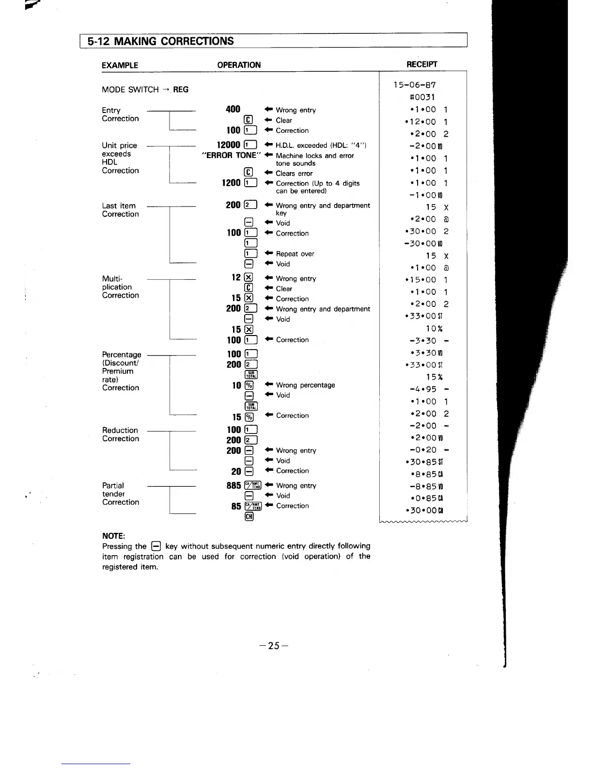
5.12
MAKING CORRECTIONS
EXAMPLE
OPERATION
RECEIPT
T
T
T
-[
-L
MODE
SWITCH
-
REG
Entry
Correction
Unit
price
exceeds
HDL
Correction
Last item
Correction
Multi-
plication
Correction
Fercentage
(Discount/
Premium
rate)
Correction
400
i
wrong enrry
G)
t
clear
100
D
t
correction
12000
D
+
H.D.L. exceeded
(HDL:
"4")
"ERROR
TONE"
t
Machine locks and error
tone sounds
B
t
clears error
1200
C
f
Correction
(Up
to 4 digits
can be entered)
200
C
+
wrong entry
and department
r00
Key
rF
Void
<F
Correction
f
Repeat over
f
Void
t
Wrong
entry
f
Clear
t
Correction
f
Wrong entry
and department
{.
Void
<F
Correction
f
Wrong
percentage
f
Void
t
Correction
f
Wrong entry
f
Void
f
Correction
f
Wrong
entry
f
Void
f
Correction
1
5-06-87
s0051
.1.00
1
.12.00
1
.2.00
2
-2.00
[
.1.00
1
.1.00
1
.i.00
1
-1.00110
15
x
.2.
O0
A
.J0.00
2
-f
0.00ll0
15
x
.
l.UU oJ
.15.00
1
.1.00
1
.
2.00
2
.
33.00
SI
10%
-3.3Q
.
J. J0ll0
.33.00
SI
15%
-4.95
.1.00
1
.2.00
2
-2.00
.2.00
l0
-0.20
.J0.85$l
.8
.85
[[
-8'85
I0
.0.85
$
.50.00
Cl
t2
t5
200
t5
r00
r00
200
l0
t5
r00
200
200
20
885
85
Reduction
Correction
Partial
tender
Correction
NOTE:
Pressing tf'e
Q
key without subsequent numeric entry directly
following
item registration
can
be used for correction
(void
operation) of
the
registered item.
E
C
C
C
E
a
o
a
a
E
a
C
E]
C
frt_-l
I
r0T[l
@
E
fsTl
u!I&,
@
C
C
E
B
E
Fi'7Nl
|
/
ltrll
E
W^at)
@
-25-

Related product manuals