EasyManua.ls Logo

Casio EX-468 - Page 21

Casio EX-468
150 pages
Print Icon
To Next Page IconTo Next Page
To Next Page IconTo Next Page
To Previous Page IconTo Previous Page
To Previous Page IconTo Previous Page
Loading...
19
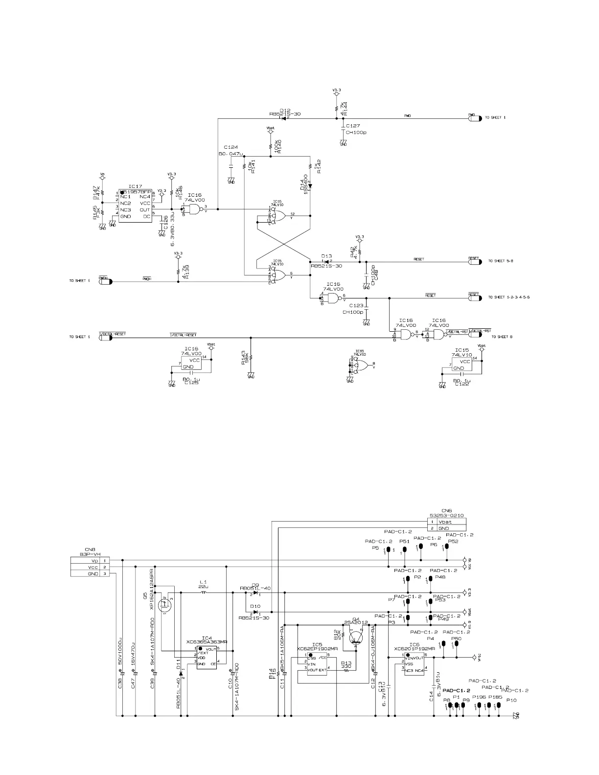
5-3. RESET CIRCUIT
The reset circuit is as follows.
Reset IC
5-4. POWER SUPPLY CIRCUIT
The power supply circuit is as follows.
VP (DC 25.2V): For the printer control circuit.
VCC (DC 5V): For the logic circuit power.
V3.3 (DC 3.3V): For the logic circuit power.
Vbat (DC 3.3V): For the RAM power.
V1.9V (DC 1.9V): For the CPU internal power.
Vrtc (DC 1.9V): For the CPU RTC power.

Other manuals for Casio EX-468

Related product manuals