EasyManua.ls Logo

Casio EX-468 - Page 22

Casio EX-468
150 pages
Print Icon
To Next Page IconTo Next Page
To Next Page IconTo Next Page
To Previous Page IconTo Previous Page
To Previous Page IconTo Previous Page
Loading...
20
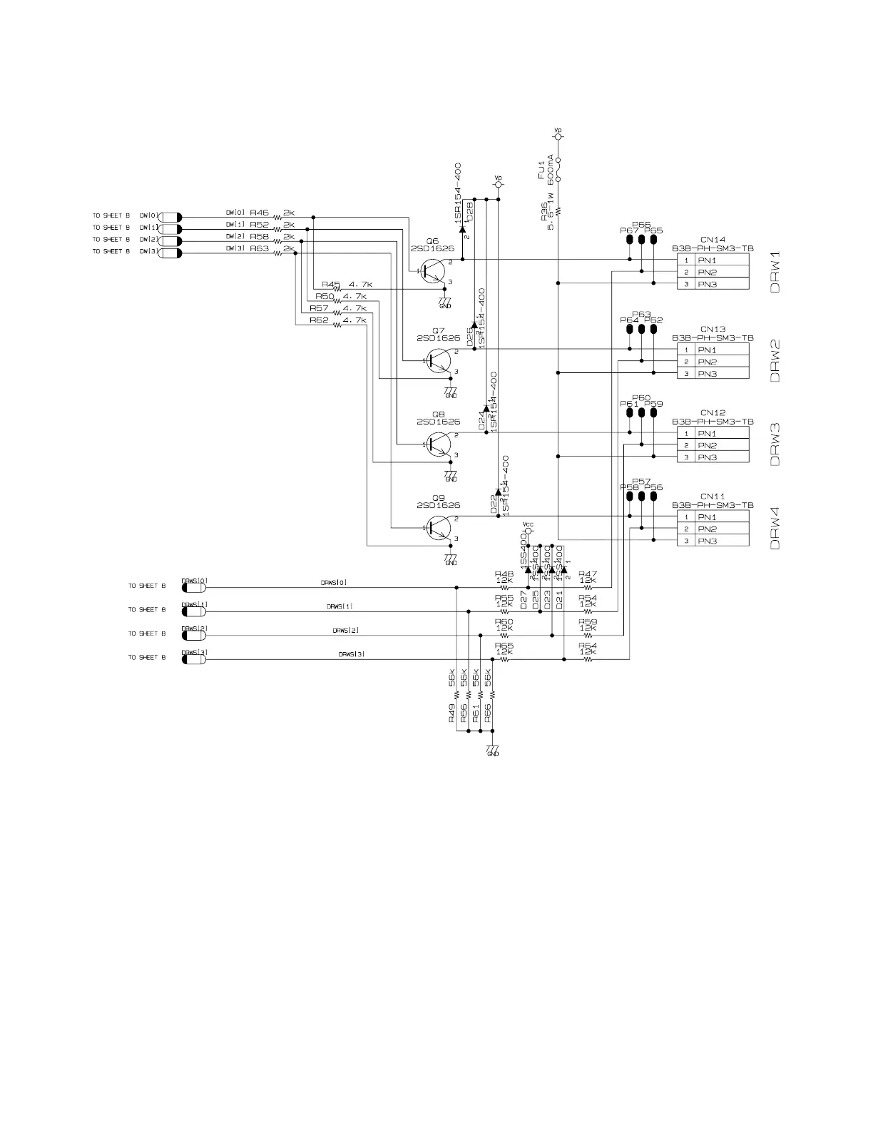
5-5. DRAWER I/F CIRCUIT
The drawer open circuit is as follows.

Other manuals for Casio EX-468

Related product manuals