EasyManua.ls Logo

CDVI DMR18S - System Wiring and Specifications

CDVI DMR18S
17 pages
Print Icon
To Next Page IconTo Next Page
To Next Page IconTo Next Page
To Previous Page IconTo Previous Page
To Previous Page IconTo Previous Page
Loading...
2 EASY
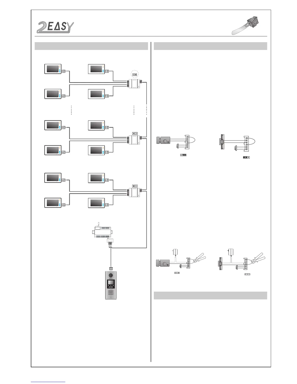
SYSTEM CONNECTION
OFF ON
OFF ON
DBC4A
A B C D
DBC4A
A B C D
Impedance
switch
Impedance
switch
100~240VAC
BUS(IM) BUS(DS)
PC6
AC~
OFF ON
DBC4A
A B C D
Impedance
switch
Code=28
Code=30
Code=29
Code=31
Code=4
Code=6
Code=5
Code=7
Code=0
Code=2
Code=1
Code=3
1 2 3
654
7 8 9
#0
*
RF CARD
ELECTRIC LOCK CONNECTION
1) Door Lock Controlled with Internal Power
1. The door lock is limited to 12Vdc, and holding current must be less
than 250mA when using internal power supply mode.
2) Door Lock Controlled with External Power
Power-on-to-unlock type:Unlock Mode=0(by default)
Power-off-to-unlock type:Unlock Mode=1
JP_LK
12V 300mA
Exit button
Jumper position in 2-3
+
-
+12V
LK -
LK+
N.O.
EB-
EB+
1 2 3
Power-on-to-Unlock type:
12V 300mA
Jumper position in 1-2
+12V
LK -
LK+
N.O.
EB-
EB+
+
-
JP_LK
1 2 3
Exit button
Power-off-to-Unlock type:
+
+
-
-
+12V
LK - (GND)
LK+(COM)
N.O.
EB-
EB+
JP_LK
Cut off the line
1 2 3
Exit button
+12V
LK - (GND)
LK+(COM)
N.O.
EB-
EB+
+
+
-
-
JP_LK
Cut off the line
1 2 3
Exit button
SPECIFICATION
Power supply: DC24V
Camera Lens: 1/4 ACS 4T image sensor
Power consumption: Standby 33mA; Working status 157mA.
Screen: 3.5 inch TFT
Resolution: 320(R, G, B)X240 pixels
Video signal: CCIR/EIA optional
Wiring: 2 wires, non-polarity
Dimension: 350(H)×128(W)×46(D)mm
Note: The diagram take the monitor of DT47M for example.
DMR18S Technical Menu -3-
2. The Unlock Mode Parameter must be set to 0 (by default).
3. Jumper set to position 1 & 2 for power-off-to-unlock, fail safe
(Relay-no
rmally closed mode
); set to position 2 & 3 for
power-on-to-unlock type, fail secure (Relay n
ormally open mode
).
4. If a different unlocking time is required, change the unlock time
at the door station, for detailed information refer to the 2Easy
system technical guide.
1. The external power supply must be used in accordance to
lock current required.
2. The jumper JP_LK must be removed before connecting.
3. Setup of the
Unlock Mode Parameter
for different lock types
4. If different unlocking time is required, change the unlock time at
the door station, for detailed information refer to 2 Easy system
tech- nical guide .
Remove Jumper
Remove Jumper
Power-off-to-Unlock type - Mode 1:Power-on-to-Unlock type - Mode 0 (Default):
INTRODUCTION
Installation Guide

Related product manuals