EasyManua.ls Logo

Cebora DC 3241/T - Page 96

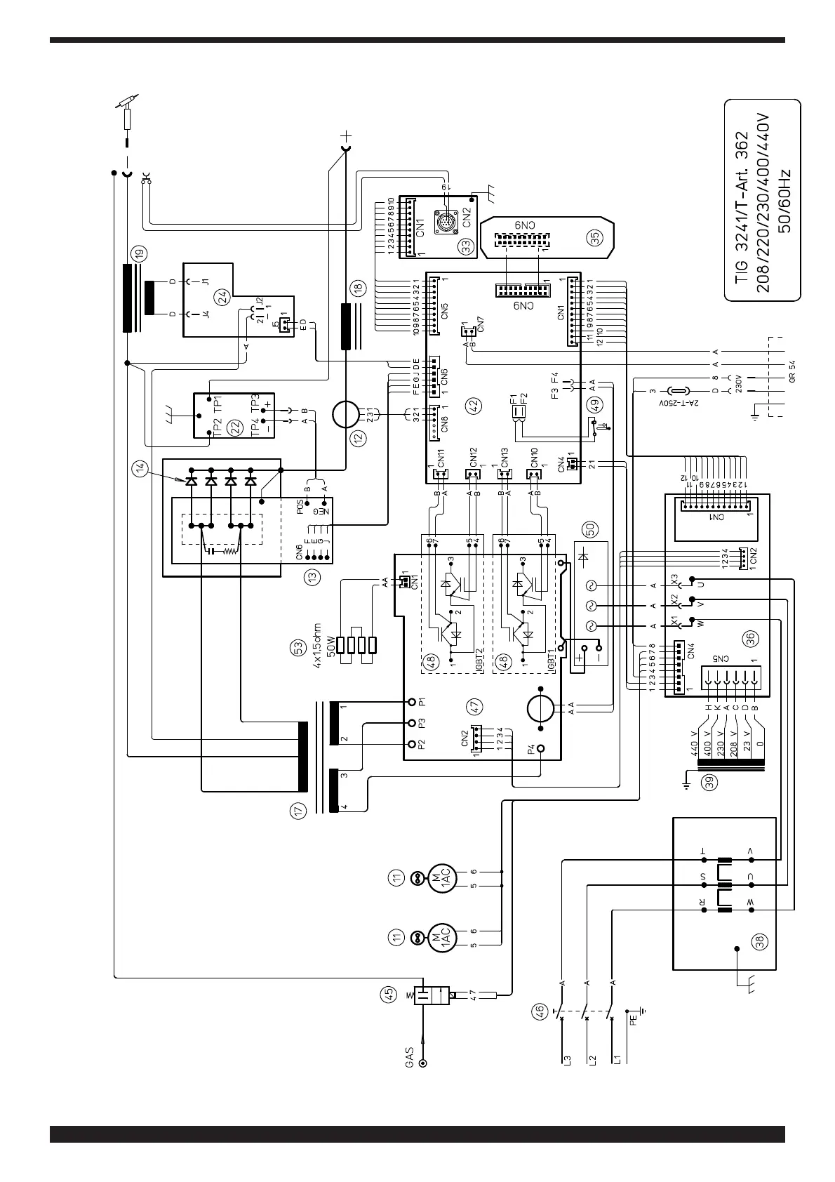
Cebora DC 3241/T
Print Icon
To Next Page IconTo Next Page
To Next Page IconTo Next Page
To Previous Page IconTo Previous Page
To Previous Page IconTo Previous Page
Loading...
96
Art.362

Table of Contents

Related product manuals