EasyManua.ls Logo

Celestion S8 - Schematics; Pre Amp Schematic

Celestion S8
18 pages
Print Icon
To Next Page IconTo Next Page
To Next Page IconTo Next Page
To Previous Page IconTo Previous Page
To Previous Page IconTo Previous Page
Loading...
13
R4
9K1
R14
6K8
R1
30K
R15
10K
R3
10K
R22
27K
R16
10K
R21
10K
R23
10K
R17
27K
R6
10K
R19
10K
R7
330K
R9
100 1W
R8
100 1W
R18
10K
R5
12K
C4
330n
C5
330n
C7
104
R20
12K
R10
10K
R24
30K
R26
10K
R27
9K1
R43
12K
R37
6K8
R38
10K
R31
100 1W
R32
100 1W
R42
10K
R39
10K
R41
10K
R40
27K
R44
10K
R46
10K
C8
333
C12
330n
C13
330n
C15
104
C16
333
R30
330K
R28
12K
R29
10K
R45
27K
R13
2K2
R36
2K2
R33
10K
R11
1K
R35
2K2
R34
1K
R12
2K2
R61
10K
R62
10K
R60
10K
+15v
-15v
L CHANNEL
R CHANNEL
C3
270p
C11
270p
-15V
+15V
C23
10u/25V
HIGH
LEVEL
IN
HIGH
LEVEL
IN
HIGH
LEVEL
OUT
HIGH
LEVEL
OUT
R48
15K
R49
2K2
R50
30K
R51
27K
R52
15K
R53
2K2
R54
30K
R55
27K
R56
1K6
R58
4K7
R59
4K7
R57
390
C17
104
C18
104
C19
104
C20
104
C22
104
NOTCH DEPTH
-15V
+15V
C21
100u/16V
VR1A
20KBx2
VR1B
20KBx2
VR2
20KAx1
VR3
10KBx1
C1
2u2/50V
C2
2u2/50V
C9
2u2/50V
C10
2u2/50V
-15V
+15V
LOW PASS FILTER
HIGHT PASS FILTER
R74
470
R73
1K
R72
4K7
R71
1K
Q4
9012H
Q5
9013H
Z1
5V1
D1
1N4148
MANLIAL
AUTO
AUTO ON/OFF
C29
100p
R63
470
R76
10K
R78
220K
C28
2u2/50V
Z3
3V3
C30
10u/25V
R77
56K
D2
1N4148
C24
470u/10V
C26
47u/16V
C25
100u/16V
R65
2M2
R66
2K2
R64
1.2M
R67
68K
R79
10K
R68
2K2
R69
4K7
Q1
9013H
Q2
9013H
Q6
9013H
Q3
9012H
C27
100n
SW1
SW2P2T
Z2
5V1
C6
300uF/50V NP
C14
300uF/50V NP
Q7
9012H
R70
10K
LOW PASS FILTER
LED1
DUAL/LED
3
2
1
4 8
U1A
BA4560
5
6
7
U1B
BA4560
3
2
1
48
U2A
BA4560
5
6
7
U2B
BA4560
3
2
1
4 8
U3A
BA4560
5
6
7
U3B
BA4560
3
2
1
4 8
U4A
BA4560
5
6
7
U4B
BA4560
3
2
1
4 8
U5A
BA4560
5
6
7
U5B
BA4560
3
2
1
4 8
U6A
BA4560
5
6
7
U6B
BA4560
3
2
1
4 8
U7A
BA4560
5
6
7
U7B
BA4560
3
2
1
4 8
U8A
BA4560
5
6
7
U8B
BA4560
-15V
+15V
+15V
-15V
-15V
+15V
+15V
-15V
+15V
1
SPK1A
L/IN+
2
SPK1B
L/IN-
3
SPK1C
L/OUT-
4
SPK1D
L/OUT+
5
SPK1E
R/IN+
6
SPK1F
R/IN-
7
SPK1G
R/OUT-
8
SPK1H
R/OUT+
RCA1A
LOW LEVEL IN
RCA1B
LOW LEVEL IN
RCA1C
H.P.OUT
RCA1D
H.P.OUT
3
1
2
CN1
AF/OUT
3
1
2
CN2
15V/IN
-15V
+15V
AUTO
AUTO
AUTO
C62
683
C63
683
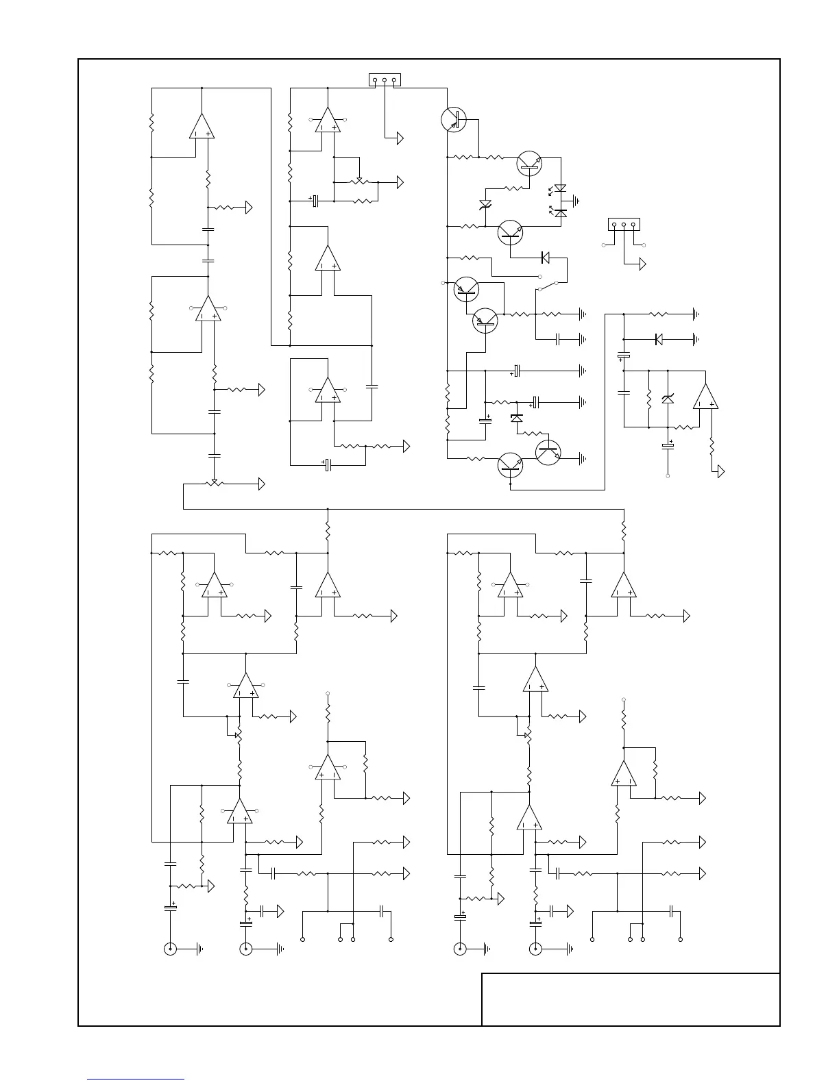
CELESTION S8
Pre Amp Schematic