EasyManua.ls Logo

CEMB SM825 - Electric and Pneumatic Diagram

Default Icon
28 pages
Print Icon
To Next Page IconTo Next Page
To Next Page IconTo Next Page
To Previous Page IconTo Previous Page
To Previous Page IconTo Previous Page
Loading...
REV. 01
25 / 28
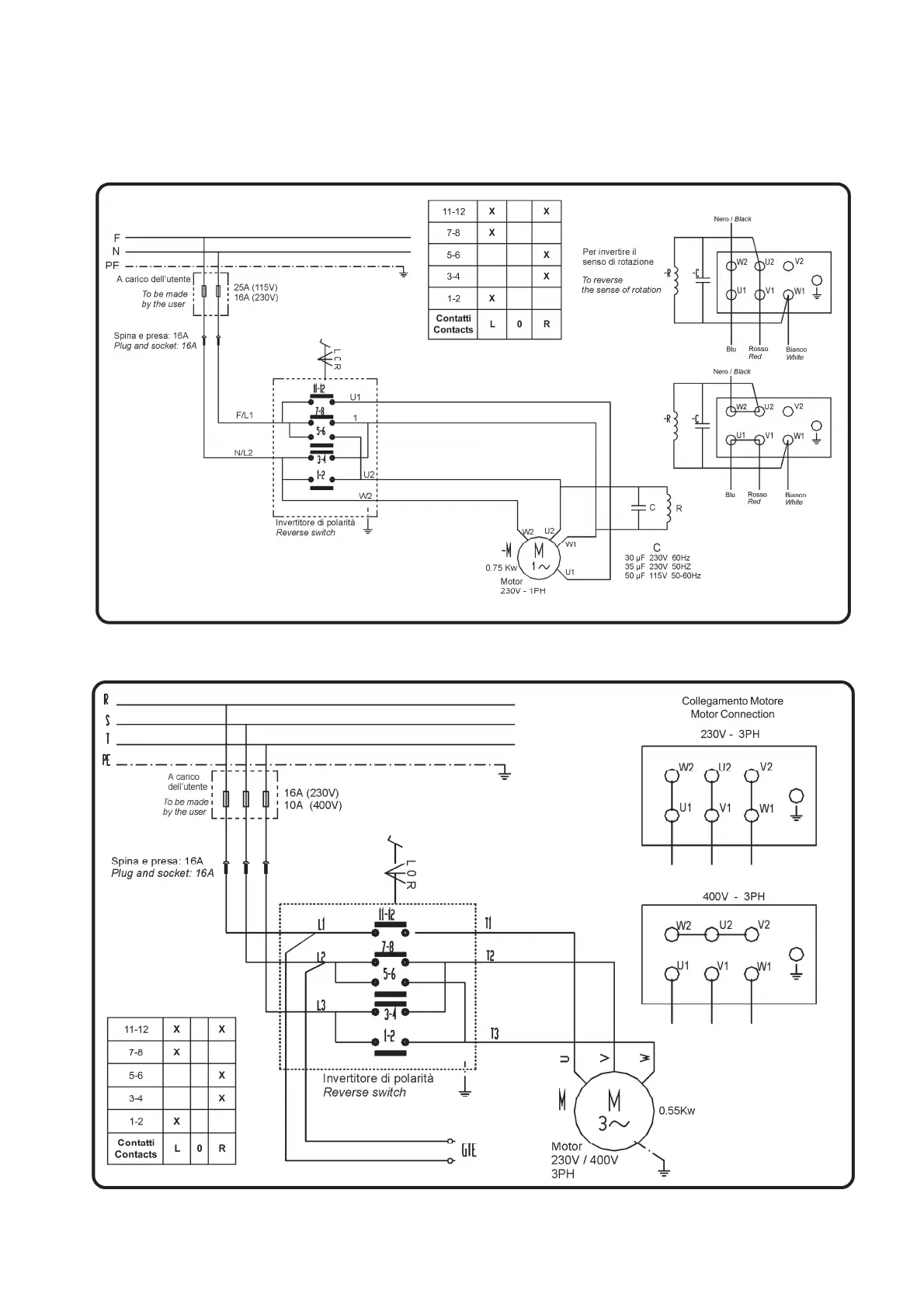
CHAPTER 9 – ELECTRIC AND PNEUAMTIC DIAGRAM
110V/220V/230V – 1PH
220V/230V/380V/400V – 3PH (SINGLE SPEED)

Related product manuals