EasyManua.ls Logo

Central Machinery 45656 - Assembly Diagram E; Electric Diagram

Central Machinery 45656
28 pages
Print Icon
To Next Page IconTo Next Page
To Next Page IconTo Next Page
To Previous Page IconTo Previous Page
To Previous Page IconTo Previous Page
Loading...
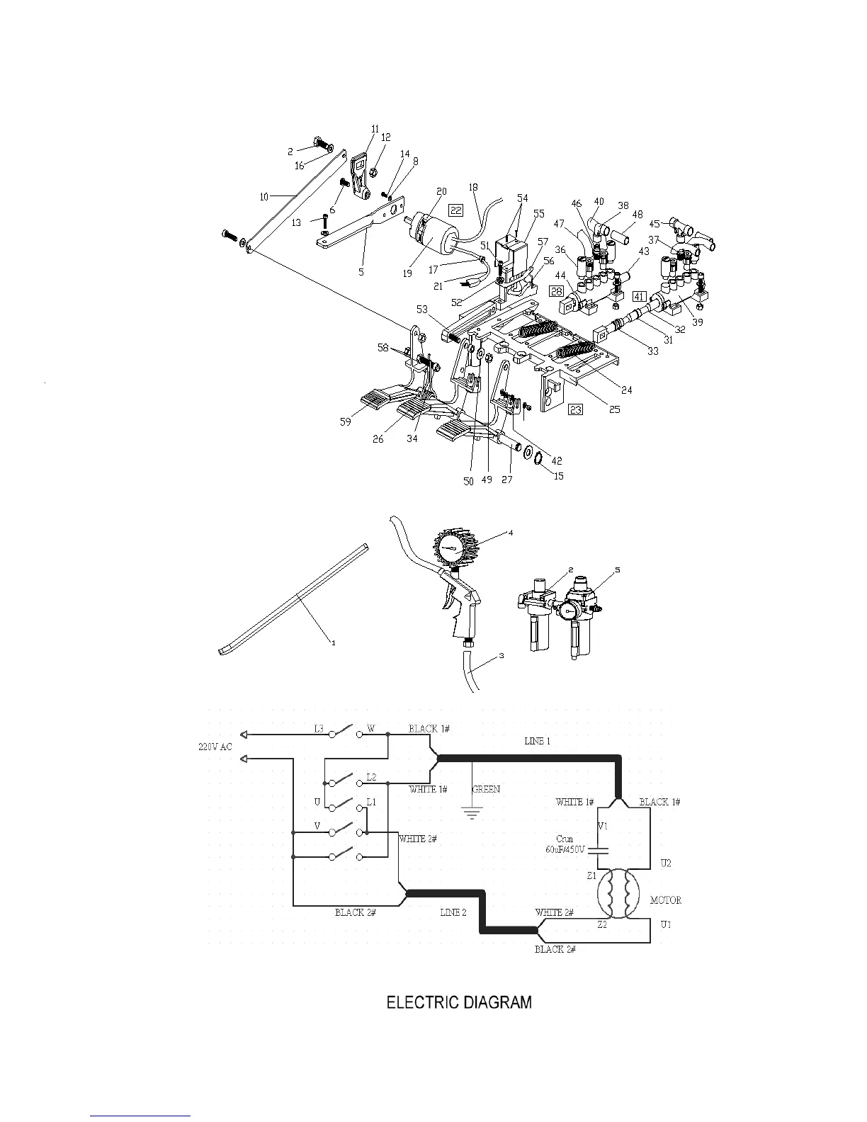
Page 22SKU 45656 For technical questions, please call 1-800-444-3353.
ASSEMBLY DIAGRAM E
REV 03/03

Related product manuals