EasyManua.ls Logo

CENTRAL RE Series - Page 12

Default Icon
46 pages
Print Icon
To Next Page IconTo Next Page
To Next Page IconTo Next Page
To Previous Page IconTo Previous Page
To Previous Page IconTo Previous Page
Loading...
Page 10 Central Blower Restaurant Exhaust Fan Catalog
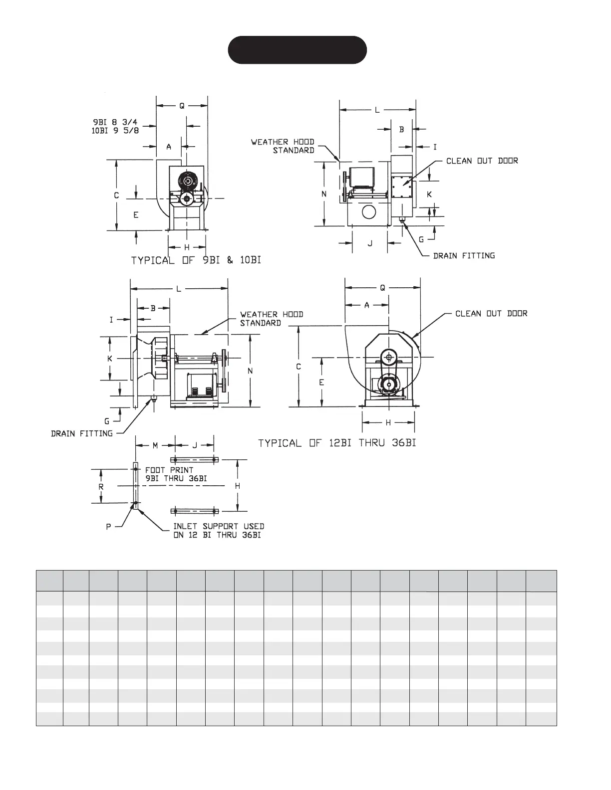
MODEL WHEEL SHAFT
NO. DIA. ABCEGH I JKLMNPQRDIA.
9 BI 9 3/16 7 1/2 6 11/32 20 1/8 9 3/8 1 11/16 11 3/8 1 3/4 10 1/2 7 7/8 23 19 1/4 3/8 15 3/8 5/8
10 BI 10 5/8 8 3/16 8 3/16 23 3/16 10 1/4 1 9/16 13 1 3/4 11 8 7/8 26 1/2 21 3/4 3/8 17 3/16 3/4
12 BI 12 1/4 13 1/8 9 13/16 24 1/16 14 5/8 3 11/16 16 1 3/4 11 1/2 13 29 11 3/4 21 3/4 7/16 22 5/8 11 1
15 BI 15 16 1/8 12 29 1/8 17 5/8 4 1/4 19 2 12 1/2 15 7/8 32 14 1/8 26 1/4 9/16 27 5/8 14 1
18 BI 18 1/4 19 9/16 14 5/8 35 1/2 21 1/2 5 1/4 22 5/8 2 15 5/16 19 5/16 38 1/8 16 7/8 31 7/8 9/16 33 5/8 18 1 3/16
20 BI 20 21 7/16 15 15/16 38 7/8 23 1/2 5 23/32 22 5/8 2 3/16 15 5/16 21 3/16 39 7/16 18 3/16 33 7/8 9/16 36 7/8 22 5/8 1 3/16
22 BI 22 1/4 23 13/16 17 13/16 42 7/8 25 7/8 6 1/16 26 1/8 2 1/4 16 1/2 23 1/2 43 15/16 20 1/8 37 15/16 9/16 40 15/16 20 1 3/16
24 BI 24 1/2 26 3/16 19 5/8 49 9/16 27 7/8 6 1/8 26 1/8 2 1/4 16 1/2 25 7/8 45 1/16 21 15/16 39 15/16 9/16 45 15/16 26 1/8 1 3/16
27 BI 27 29 21 5/8 52 31 1/4 7 1/4 30 3/8 2 1/4 18 3/8 28 9/16 49 1/8 24 1/4 45 27/32 9/16 49 13/16 24 1 7/16
30 BI 30 32 3/16 24 59 1/4 36 1/4 9 1/2 39 2 20 11/16 31 1/2 58 26 15/16 54 1/4 9/16 55 1/2 39 1 11/16
36 BI 36 1/2 39 1/8 29 3/16 71 3/8 43 7/8 11 3/8 47 2 22 7/8 38 5/8 70 31 9/16 65 7/8 9/16 67 3/16 47 1 15/16
Dimensional Table
Series BI UL
Backward Inclined Blowers for Restaurant Exhaust