EasyManua.ls Logo

Centurion POLOphone - Wiring Diagram and Notes

Centurion POLOphone
16 pages
Print Icon
To Next Page IconTo Next Page
To Next Page IconTo Next Page
To Previous Page IconTo Previous Page
To Previous Page IconTo Previous Page
Loading...
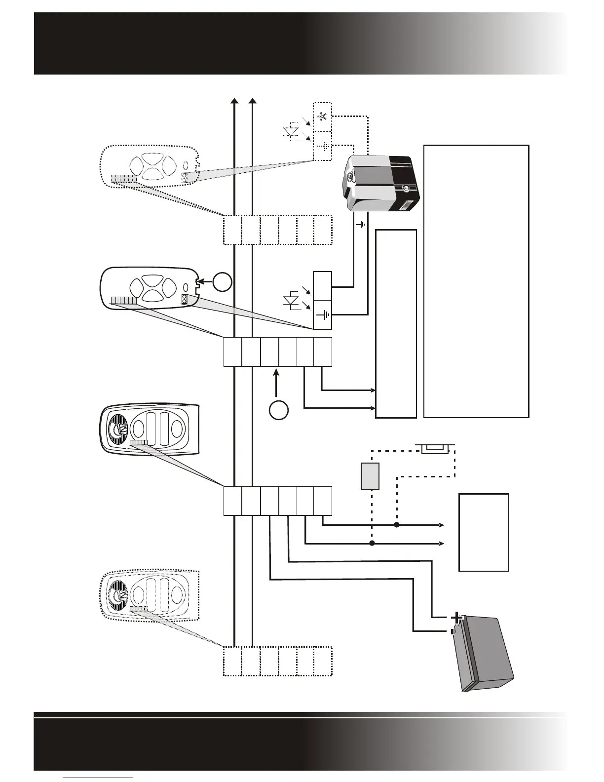
BATTERY SUPPLY
TRG
COM
POWER SUPPLY
FOR DOOR STRIKE
EXTRA
HANDSETS
DOOR
STRIKE
HANDSET
ENTRY PANEL
WIRING DIAGRAM
See Note
Below
See Note
Below
POTENTIAL FREE
NORMALLY OPEN
CONTACT TO
ACTIVATE GATE
MOTOR ETC.
NO
2
1
+
-
COM
NO
2
1
+
-
COM
NONO
22
11
++
--
COMCOM
NONO
22
11
++
--
COMCOM
BATTERY SUPPLY
TRG
COM
POWER SUPPLY
FOR DOOR STRIKE
EXTRA
HANDSETS
DOOR
STRIKE
HANDSET
ENTRY PANEL
WIRING DIAGRAM
See Note
Below
See Note
Below
POTENTIAL FREE
NORMALLY OPEN
CONTACT TO
ACTIVATE GATE
MOTOR ETC.
NO
2
1
+
-
COM
NO
2
1
+
-
COM
NONO
22
11
++
--
COMCOM
NONO
22
11
++
--
COMCOM
BATTERY SUPPLY
TRG
COM
POWER SUPPLY
FOR DOOR STRIKE
EXTRA
HANDSETS
DOOR
STRIKE
HANDSET
ENTRY PANEL
WIRING DIAGRAM
See Note
Below
See Note
Below
POTENTIAL FREE
NORMALLY OPEN
CONTACT TO
ACTIVATE GATE
MOTOR ETC.
NO
2
1
+
-
COM
NO
2
1
+
-
COM
NONO
22
11
++
--
COMCOM
NONO
22
11
++
--
COMCOM
BATTERY SUPPLY
TRG
COM
POWER SUPPLY
FOR DOOR STRIKE
EXTRA
HANDSETS
DOOR
STRIKE
HANDSET
ENTRY PANEL
WIRING DIAGRAM
See Note
Below
See Note
Below
POTENTIAL FREE
NORMALLY OPEN
CONTACT TO
ACTIVATE GATE
MOTOR ETC.
NO
2
1
+
-
COM
NO
2
1
+
-
COM
NONO
22
11
++
--
COMCOM
NONO
22
11
++
--
COMCOM
BATTERY SUPPLY
TRG
COM
POWER SUPPLY
FOR DOOR STRIKE
EXTRA
HANDSETS
DOOR
STRIKE
HANDSET
ENTRY PANEL
WIRING DIAGRAM
See Note
Below
See Note
Below
POTENTIAL FREE
NORMALLY OPEN
CONTACT TO
ACTIVATE GATE
MOTOR ETC.
NO
2
1
+
-
COM
NO
2
1
+
-
COM
NONO
22
11
++
--
COMCOM
NONO
22
11
++
--
COMCOM
BATTERY SUPPLY
TRG
COM
POWER SUPPLY
FOR DOOR STRIKE
EXTRA
HANDSETS
DOOR
STRIKE
HANDSET
ENTRY PANEL
WIRING DIAGRAM
See Note
Below
See Note
Below
POTENTIAL FREE
NORMALLY OPEN
CONTACT TO
ACTIVATE GATE
MOTOR ETC.
NO
2
1
+
-
COM
NO
2
1
+
-
COM
NONO
22
11
++
--
COMCOM
NONO
22
11
++
--
COMCOM
BATTERY SUPPLY
TRG
COM
POWER SUPPLY
FOR DOOR STRIKE
EXTRA
HANDSETS
DOOR
STRIKE
HANDSET
ENTRY PANEL
WIRING DIAGRAM
See Note
Below
See Note
Below
POTENTIAL FREE
NORMALLY OPEN
CONTACT TO
ACTIVATE GATE
MOTOR ETC.
NO
2
1
+
-
COM
NO
2
1
+
-
COM
NONO
22
11
++
--
COMCOM
NONO
22
11
++
--
COMCOM
11
22
__
++
NONO
COMCOM
11
22
__
++
NONO
COMCOM
11
22
__
++
NONO
COMCOM
11
22
__
++
NONO
COMCOM
AUXILIARY OUTPUT/POTENTIAL FREE NORMALLY OPEN
- GATE PEDESTRIAN OPENING
- PILLAR LIGHT CONTROL
- ENTRANCE LIGHT CONTROL
NOTES:
Power Supply
1. Only one 12V DC Power Supply is typically needed to power the system.
2. Power can be connected to any component in the system.
3. The diagram shows the 12V Battery Supply of gate motor connected to the
entry panel to power the system.
4. If power is being connected to the handset use either a mains adapter with
a DC jack compatible with the socket provided (A) or connect 12-14V DC
to the terminals (B).B .
B
A
TO COMMON/NEGATIVE
TO STATUS
LED OUTPUT
*
*
Page 12 - Polophone Intercom

Other manuals for Centurion POLOphone

Related product manuals