EasyManua.ls Logo

Centurion SDO-10 - Adjusting Disengage Cord; Connecting to Power Supply

Centurion SDO-10
19 pages
Print Icon
To Next Page IconTo Next Page
To Next Page IconTo Next Page
To Previous Page IconTo Previous Page
To Previous Page IconTo Previous Page
Loading...
- 10 -
SDOPD
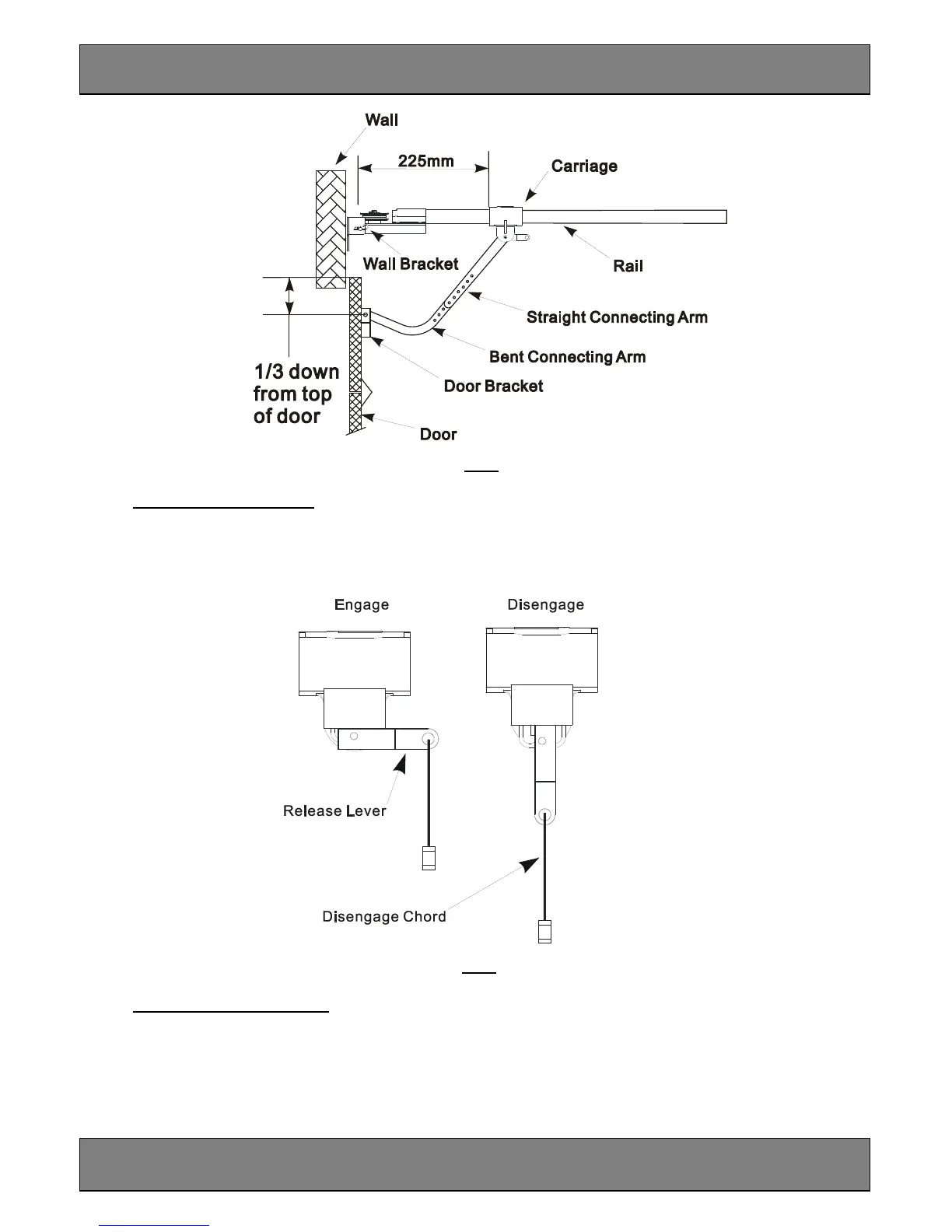
SETTINGS & ADJUSTMENTS
Fig 8
9. Adjusting Disengage Cord
Unfurl the Red Disengage Cord and cut to length so that the end hangs approximately 1800mm above the
garage floor. (Fig.9)
Fig 9
10. Connecting to Power Supply
Connect the AGDO to a properly earthed power supply using the Power Cord provided.
Important Note: Ensure that no excess cord hangs below the AGDO when it is plugged-in.
Switch the power on at the power supply.

Related product manuals