EasyManua.ls Logo

Certikin COH180 - HYDRAULIC SYSTEMS; PRIMING THE PUMP; WARNING

Default Icon
96 pages
Print Icon
To Next Page IconTo Next Page
To Next Page IconTo Next Page
To Previous Page IconTo Previous Page
To Previous Page IconTo Previous Page
Loading...
,-..
,
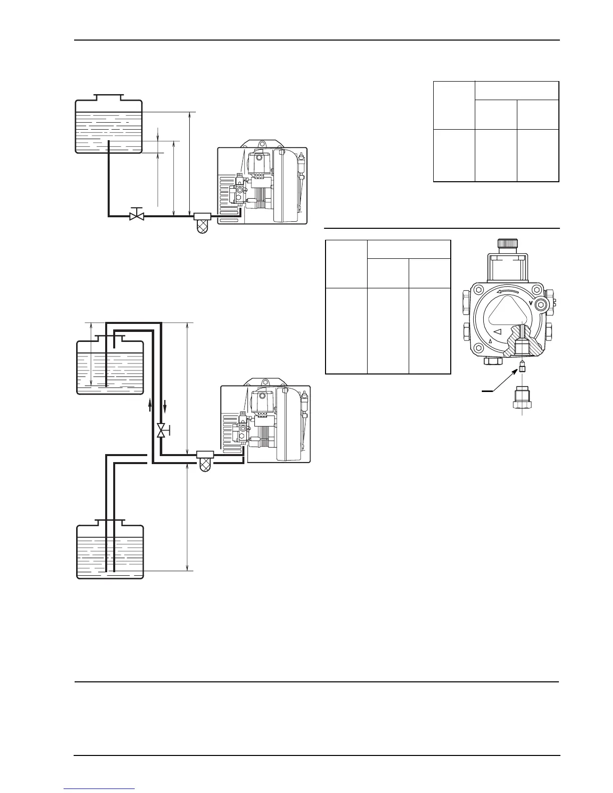
HYDRAULIC SYSTEMS
WARNING
J2"#)05)#+$#$0))E+"G#8(*#0$"#1+%2#&
(!"#)+)"#$9$%"5I#V(*#0$"#(!#&#%1(#)+)"#$9$%"5B
+%#+$#!"7"$$&*9#%(#$7*"1#%2"# by-pass screw (A)
$0))E+"G#&$#K0*!"*f$#&77"$$(*9I#(See figure).
J2"#)05)#;&7005#$2(0EG#!(%#"a7""G#&#5&a+505#(8#OIH#K&*#P,O#75#]'QI
/"9(!G#%2+$#E+5+%#'&$#+$#*"E"&$"G#8*(5#%2"#(+EI
Oil lines must be completely airtight.
The return line should terminate in the oil tank at the same level
as the suction lineg#+!#%2+$#7&$"#&#!(!c*"%0*!#;&E;"#+$#!(%#*"h0+*"GI
Y2(0EG#2(1";"*#%2"#*"% 0*!# E+!"#&**+;"$#(;"*#% 2"#8 0"E#E";"EB#% 2"# !(!c
*"%0*!#;&E;"#+$#+!G+$)"!$&KE"I
J2+$#$(E0%+(!#2(1";"*#+$#E"$$#$&8"#%2&!#)*";+(0$#(!"B#G0"#%(#%2"#)($$+c
K+E+%9#(8#E"&6&'"#(8#%2"#;&E;"I
WARNING:
32"76#)"*+(G+7&EE9#%2"#8E"a+KE" #)+)"$#7(!G+%+(!$I#i$+!'#6"*($"!"B#%2"9#2&;"#% (#K"# *")E&7"G#&%
E"&$%#every 2 years.
`#5"%&E#K(1E#8+E%"*#1+%2#*")E&7"&KE"#5+7*(!+7#8+E%"*#50$%#K"#8+%%"G#+!#%2"#(+E#$0))E9#)+)"I
PRIMING THE PUMP:
Y%&*%#%2"#K0*!"*#&!G#1&+%#8(*#%2"#)*+5+!'I#Y2(0EG#E(76c(0%#(770*#)*+(*#%(#%2"#&**+;&E#(8#%2"#80"EB#&1&+%#&%
E"&$%#-O#$"7(!G$#K"8(*"#*")"&%+!'#%2"#()"*&%+(!I
W
arning: K"8(*"#$%&*%+!'#%2"#K0*!"*#5&6"#$0*"#%2&%#%2"#*"%0*!#)+)"cE+!"#+$#!(%#7E(''"G<#&!9#(K$%*07c
%+(!#1(0EG#7&0$"#%2"#)05)#$"&E$#%(#K*"&6I
H
meters
L meters
I. D.
8 mm
I.D.
10 mm
OIS
.
.IS
-
.O
-O
HO
AO
-O
HO
>O
.OO
PRIMING THE PUMP
C(($"!#%2" #)E0 '#(8#%2" #;&7005
'&0'"#P>B# 8+'I#.Q# &!G#1&+%#0!%+E#%2"
80"E#8E(1$#(0%I
A
H
meters
L meters
I. D.
8 mm
I.D.
10 mm
O
OIS
.
.IS
-
,
,IS
,S
,O
-S
-O
.S
>
A
.OO
.OO
.OO
?O
FO
,O
-O
H
max. 4 m
min. 0.1 m
:SA?S
:S.??
H j :+88"*"!7"#(8#E";"EI
L j =&aI#E"!'%2#(8#%2"#$07%+(!#E+!"I
I.D.j L!%"*!&E#G+&5"%"*#(8#%2"#(+E#)+)"$I
H
max. 4 mH
:SA?H

Other manuals for Certikin COH180

Related product manuals