EasyManua.ls Logo

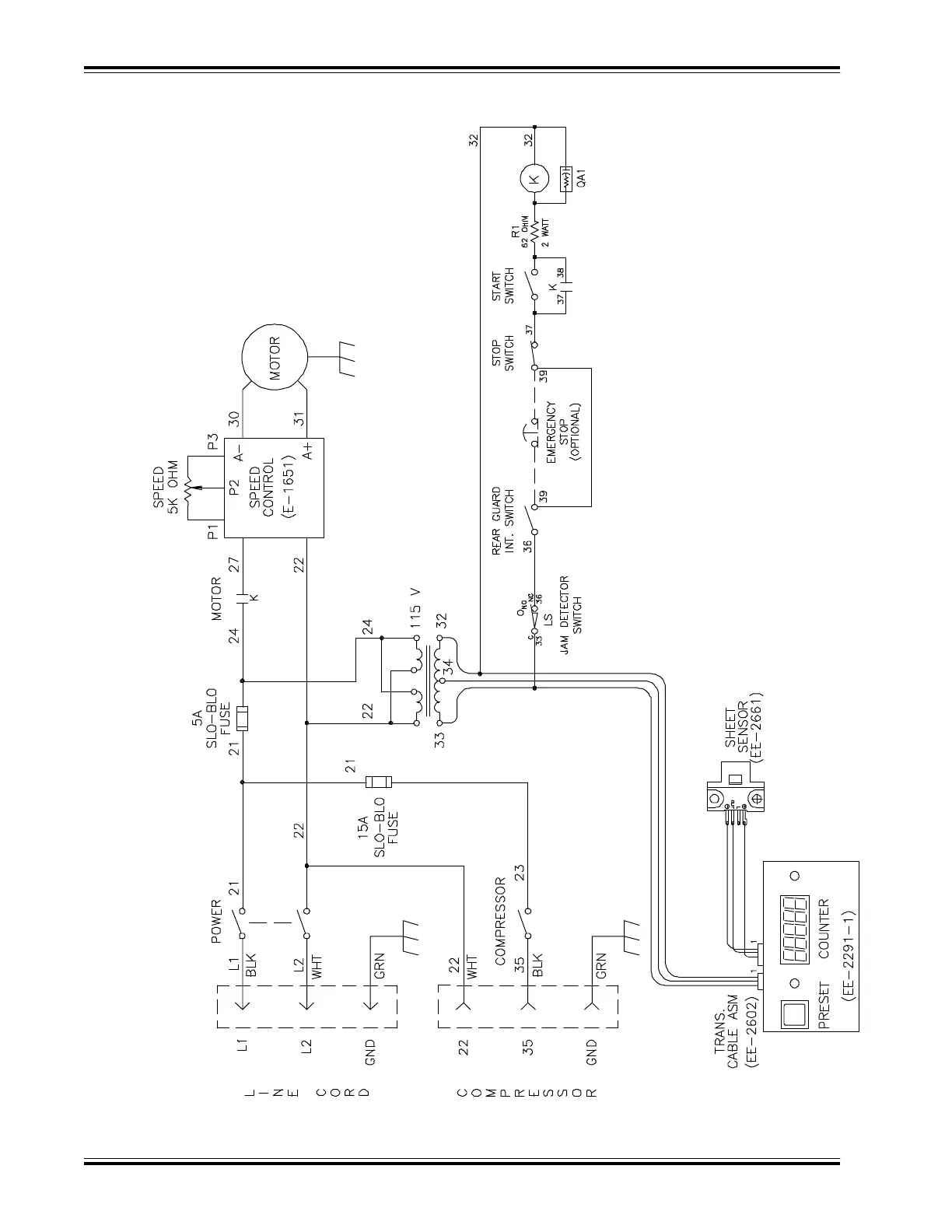
Challenge MEDALIST 820 - 870 Basic Machine Schematic - (120 Volt)

Challenge MEDALIST 820
80 pages
Print Icon
To Next Page IconTo Next Page
To Next Page IconTo Next Page
To Previous Page IconTo Previous Page
To Previous Page IconTo Previous Page
Loading...
F.669-D/820-870/Jan 98
56
870 BASIC MACHINE SCHEMATIC - (120 VOLT)
E-2657 REV. ‘A’

Table of Contents