EasyManua.ls Logo

Chamberlain SL585 - Page 19

Chamberlain SL585
40 pages
Print Icon
To Next Page IconTo Next Page
To Next Page IconTo Next Page
To Previous Page IconTo Previous Page
To Previous Page IconTo Previous Page
Loading...
19
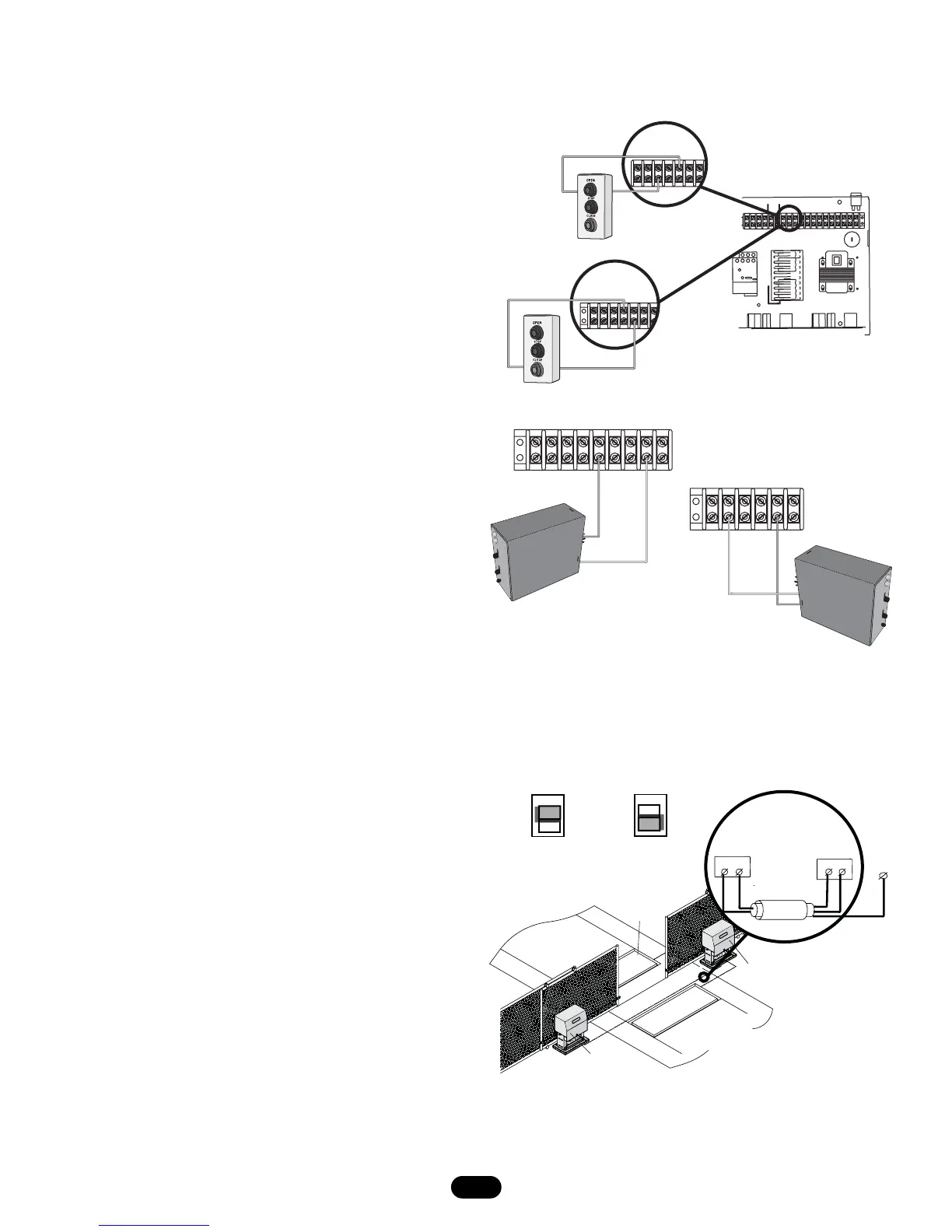
ΑΧΧΕΣΣΟΡΨ ΩΙΡΙΝΓ (ΧΟΝΤΙΝΥΕ∆)
Terminals 7 & 5 (Com) - Hard Open Override Control Input
These terminals are intended for use only with the open control
of a 3-button station that is installed within line of sight of the
gate. A momentary activation of this input will cause the gate to
open. Activation of this input for longer than three seconds will
enable the control to be used as a constant pressure override
device. This will allow the user, in emergencies, to override a
failed accessory such as a loop detector or photo-eye.
Terminals 4 & 5 (Com) - Close Override Control Input
These terminals are intended for use only with the close control
of a 3-button station that is installed within line of sight of the
gate. A momentary activation of this input will cause the gate to
close. Activation of this input for longer than three seconds will
enable the control to be used as a constant pressure override
device. This will allow the user, in emergencies, to override a
failed accessory such as a loop detector or photo-eye.
Terminals 8 & 5 (Com) - Interrupt (Safety) Loop Input
These terminals are intended for use with a loop detector. This
input functions to reverse a closing gate to the open limit.
Latching this input will reset the timer to close.
Terminals 2 & 5 (Com) - Shadow Loop Input
These terminals are intended for use with a loop detector and is
primarily used on swing gate operators. This input protects cars
by preventing the gate from moving off of the open or close limit
when the shadow loop input is active.
The control board senses commands using +24Vdc from terminal
#3. Commands are seen when +24Vdc is applied to the
controller’s input terminals.
NOTE: The control board has built in
surge suppression circuitry however please take precautions
when adding any additional surge protection.
MASTER/SECOND SYSTEMS
Dual Gate Communications
The control board is capable of running the operator in a master
or second mode depending on (S4) switch setting.
Before initiating any command the master unit queries for the
presence of a “second unit” for a time period of one second. If
the master gets no response the operator will operate in a stand
alone mode. NOTE: For single unit applications, a jumper must be
placed between 11 and 12 of the field wiring terminal block. In
this mode no further communications will take place during
travel. If the master detects the presence of a second unit the
master will continue to query the second unit during travel. The
second unit will send a response to the master for every query.
The second operator will stop if there is a period of one second
or more of no communications.
When two operators are connected in dual gate configuration
accessories may be connected to either the master or second.
NOTE: Do not run Master/Second communication wiring in the
same conduit as the power and control wiring. The Second unit
will require a normally close stop circuit for proper system
operation. After Master/Second wiring has been completed and
the S4 switch programmed, both units must have their power
cycled to initiate proper Master/Second communication. The
motor learn function must be completed in stand alone mode
prior to Master/Second wiring.
STREET
COMPLEX
OR
PARKING LOT
I
nterrupt
Sa
fe
ty Loop
6'
Master
Second
Terminal
Block
11
Conduit
Shielded
cable
(twisted pair)
minimum 18 gauge
12
12
11
Terminal
Block
Ground
Interrupt
Safety Loop
S4
Master or
Standalone
Gate Setting
Second
Gate
Setting
S4
Master
Unit
Second
Unit
ON
Master
Unit
Second
Unit
ON
345 78
N.O.
Com
123456
N.O.
Com
Hard Open Override
Control Input
Close Override
Control Input
1 2 3 4 5 6
3 4 5 6 7 8
8
9
7
123456789
Interrupt (Safety)
Loop Input
123456
Shadow Loop
Input

Related product manuals