EasyManua.ls Logo

Champion Simplex - No Protection Circuit - 208 V thru 575 V, 3 Phase

Champion Simplex
44 pages
Print Icon
To Next Page IconTo Next Page
To Next Page IconTo Next Page
To Previous Page IconTo Previous Page
To Previous Page IconTo Previous Page
Loading...
Simplex Control Panel 10 CQF3475 v.02
Operation & Service August 06, 2019
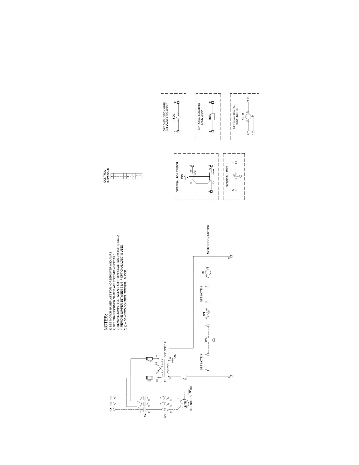
Section 4 – Wiring Diagrams (cont.)
4.3 No Protection Circuit - 208V thru 575V, 3 Phase
343CAS546-01
Ref. Drawing
MCGUIRE AIR COMPRESSORS INC
1-888-229-9999
MCGUIRE AIR COMPRESSORS INC
1-888-229-9999

Table of Contents