EasyManua.ls Logo

Chrysler Concorde - Page 1177

Chrysler Concorde
1591 pages
Print Icon
To Next Page IconTo Next Page
To Next Page IconTo Next Page
To Previous Page IconTo Previous Page
To Previous Page IconTo Previous Page
Loading...
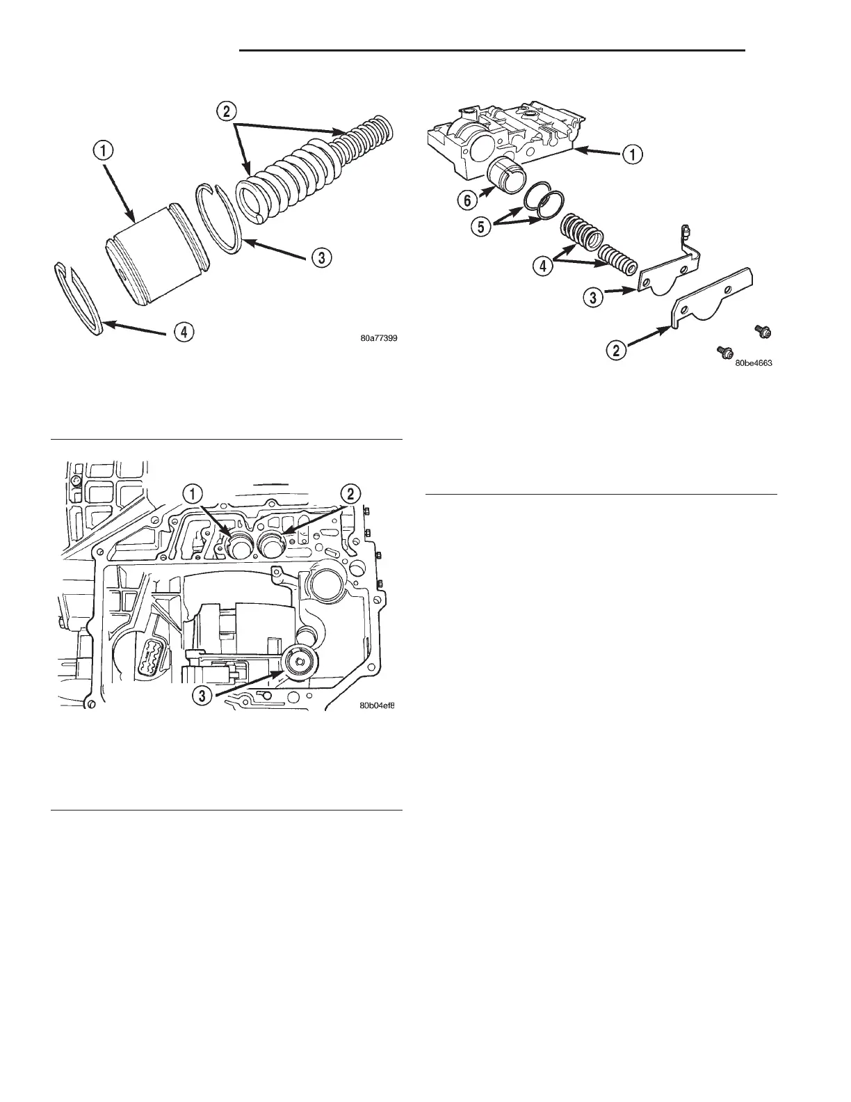
(1) The 2/4 accumulator is located in the valve
body. It is retained by a cover and retaining screws
(Fig. 9).
OPERATION
The function of an accumulator is to cushion the
application of a frictional clutch element. When pres-
surized fluid is applied to a clutch circuit, the appli-
cation force is dampened by fluid collecting in the
respective accumulator chamber against the piston
and spring(s). The intended result is a smooth, firm
clutch application.
INPUT CLUTCHES
DESCRIPTION
Three hydraulically applied input clutches are used
to drive planetary components. The underdrive, over-
drive, and reverse clutches are considered input
clutches and are contained within the input clutch
assembly (Fig. 10). The input clutch assembly also
contains:
Input shaft
Input hub
Clutch retainer
Underdrive piston
Overdrive/reverse piston
Overdrive hub
Underdrive hub
OPERATION
The three input clutches are responsible for driving
different components of the planetary geartrain.
NOTE: Refer to the “Elements In Use” chart in
Diagnosis and Testing for a collective view of which
clutch elements are applied at each position of the
selector lever.
UNDERDRIVE CLUTCH
The underdrive clutch is hydraulically applied in
first, second, and third (direct) gears by pressurized
fluid against the underdrive piston. When the under-
Fig. 7 Accumulator Assembly—Typical
1 ACCUMULATOR PISTON (UNDERDRIVE)
2 RETURN SPRINGS
3 SEAL RING
4 SEAL RING
Fig. 8 Overdrive, Underdrive and Low/Reverse
Accumulator Location
1 OVERDRIVE ACCUMULATOR LOCATION
2 UNDERDRIVE ACCUMULATOR LOCATION
3 LOW/REVERSE ACCUMULATOR
Fig. 9 2/4 Accumulator Assembly
1 VALVE BODY
2 RETAINER PLATE
3 DETENT SPRING
4 SPRINGS
5 SEALS
6 PISTON
21 - 8 42LE TRANSAXLE LH
DESCRIPTION AND OPERATION (Continued)

Table of Contents

Related product manuals