EasyManua.ls Logo

Chrysler Concorde - Page 1457

Chrysler Concorde
1591 pages
Print Icon
To Next Page IconTo Next Page
To Next Page IconTo Next Page
To Previous Page IconTo Previous Page
To Previous Page IconTo Previous Page
Loading...
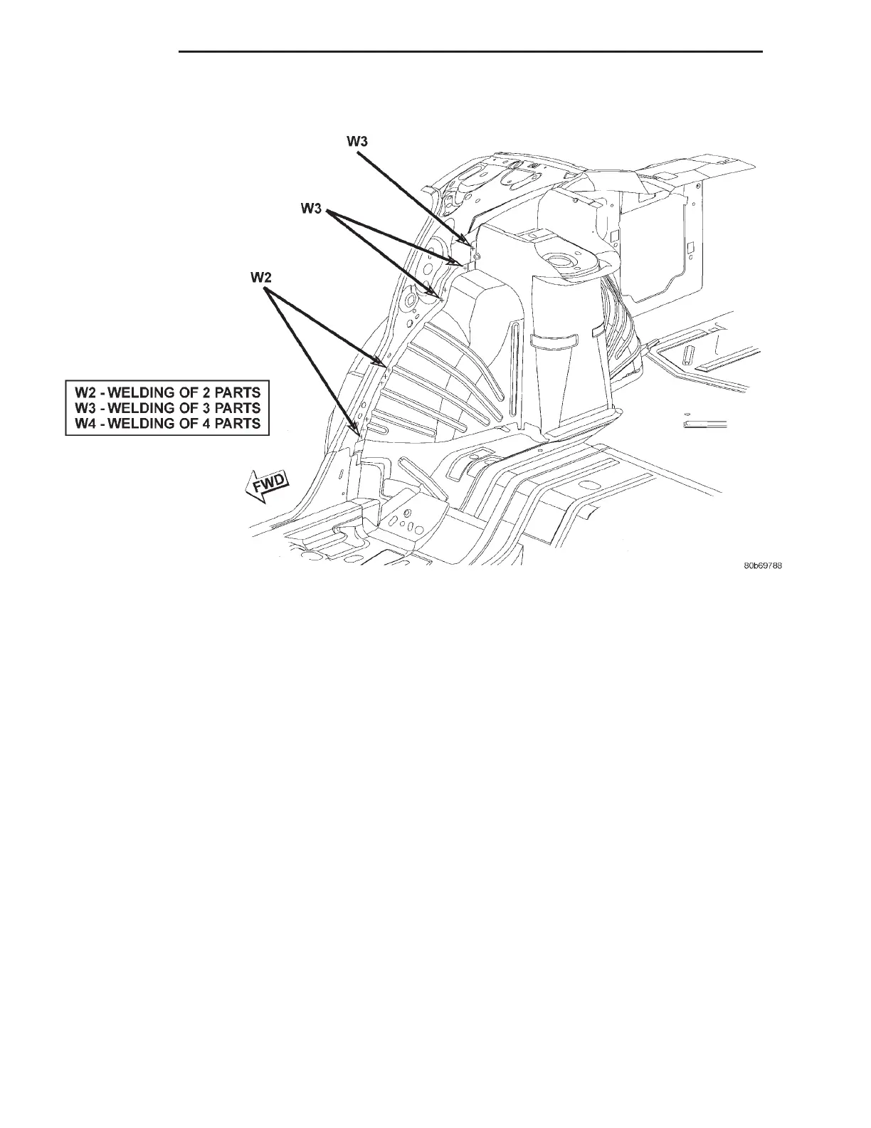
BODY SIDE APERTURE
23 - 106 BODY LH
SPECIFICATIONS (Continued)

Table of Contents

Related product manuals