EasyManua.ls Logo

Chrysler Concorde - Page 220

Chrysler Concorde
1591 pages
Print Icon
To Next Page IconTo Next Page
To Next Page IconTo Next Page
To Previous Page IconTo Previous Page
To Previous Page IconTo Previous Page
Loading...
(2) Installation of NEW cooler lines:
(a) Install new line fittings to engine block and
oil pan (Fig. 39). Tighten fittings to 30 N·m (260 in.
lbs.).
(b) Position lines to fittings. Push line into fit-
ting until it locks in place. Ensure proper connec-
tion is made by pulling in-and-out on line.
(c) Connect lines to support bracket (Fig. 39).
(3) Installation of the original cooler lines:
(a) Position cooler lines to engine block and oil
pan (Fig. 39). Tighten fittings to 30 N·m (260 in.
lbs.).
(b) Connect lines to support bracket (Fig. 39).
PRESSURE CONTROL VALVE
(1) Install supply line fitting into engine block
(Fig. 39). Tighten fitting to 30 N·m (260 in. lbs.).
(2) Position control valve into fitting. Push valve
into fitting until it locks in place. Ensure proper con-
nection is made by pulling in-and-out on valve.
(3) Connect supply line to control valve. Tighten
connection fitting to 30 N·m (260 in. lbs.).
ENGINE OIL COOLER—3.2/3.5L ENGINE
REMOVAL
ENGINE OIL COOLER
(1) The engine oil cooler is serviced with the radi-
ator. Refer to Radiator—Removal and Installation
procedure in this section.
COOLER LINES
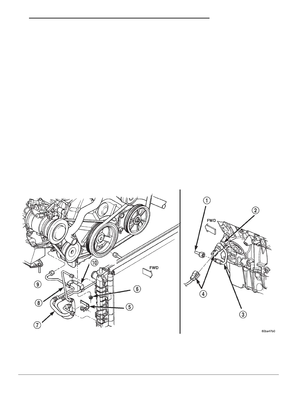
(1) Disconnect cooler lines at radiator (Fig. 40).
(2) Disconnect lines at the pressure control valve
and oil pan fitting.
(3) Disconnect lines for support retainer and isola-
tor.
(4) Remove lines.
PRESSURE CONTROL VALVE
(1) Disconnect oil pressure switch connector (Fig.
40).
(2) Disconnect cooler supply line for valve.
(3) Remove valve from engine block by unscrewing
fitting.
Fig. 40 Engine Oil Cooler and Hoses—3.2/3.5L
1 SUPPLY LINE TO OIL COOLER
2 FITTING
3 OIL COOLER PRESSURE CONTROL VALVE
4 OIL PRESSURE SWITCH AND CONNECTOR
5 RETAINER
6 NUT
7 RETURN LINE
8 SUPPLY LINE
9 ENGINE OIL COOLER:
10 ISOLATOR
LH COOLING SYSTEM 7 - 31
REMOVAL AND INSTALLATION (Continued)

Table of Contents

Related product manuals